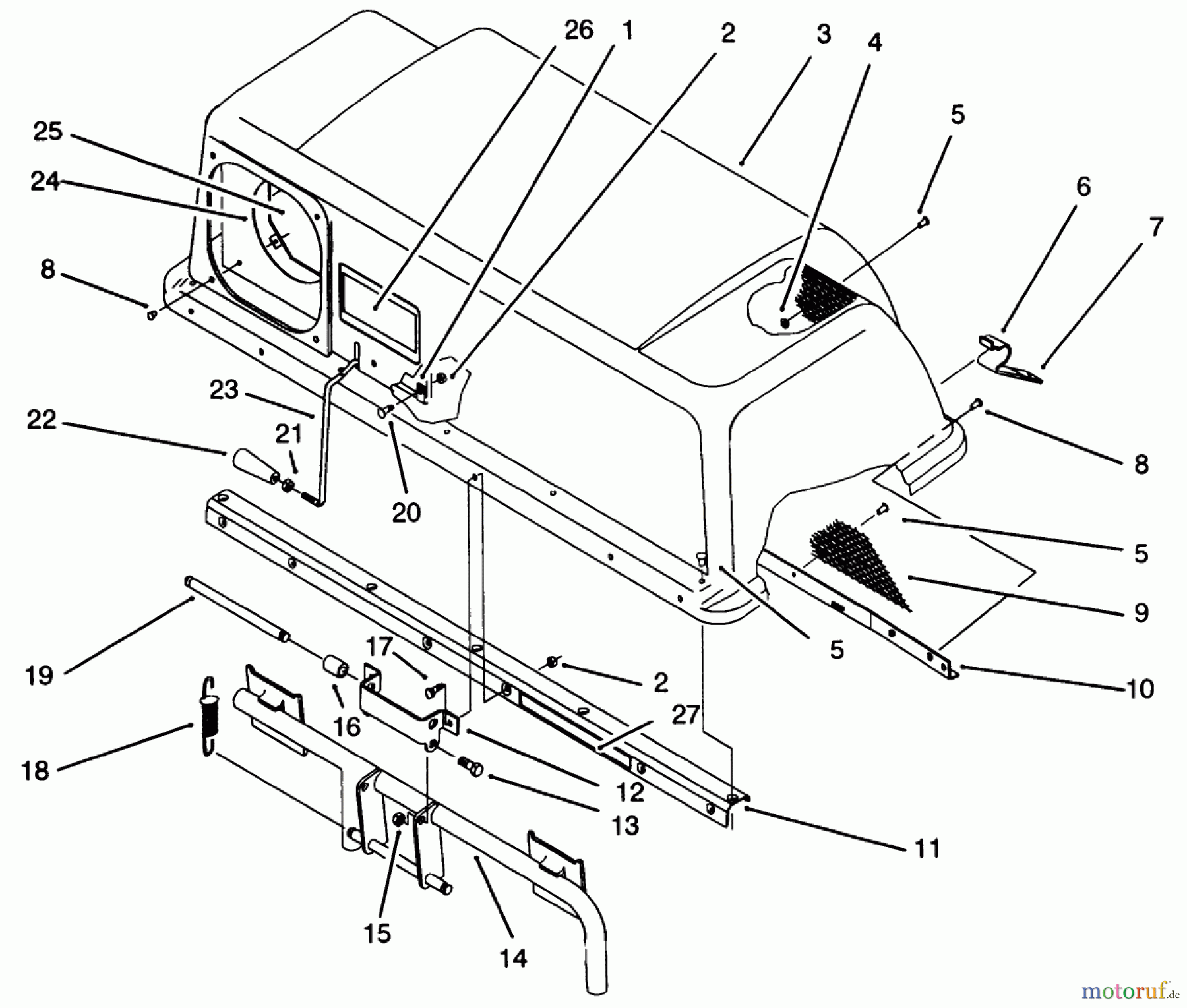
Toro 07-4XVS01 - Easy Twin 42"/48" Vacuum Bagger, 1992 (2000001-2999999) BAG TOP & FRAME ASSEMBLY Ersatzteile
BAG TOP & FRAME ASSEMBLY 07-4XVS01 - Toro Easy Twin 42"/48" Vacuum Bagger, 1992 (2000001-2999999)

Hier finden Sie die Ersatzteilzeichnung für Toro Neu Accessories, Mower 07-4XVS01 - Toro Easy Twin 42"/48" Vacuum Bagger, 1992 (2000001-2999999) BAG TOP & FRAME ASSEMBLY. Wählen Sie das benötigte Ersatzteil aus der Ersatzteilliste Ihres Toro Gerätes aus und bestellen Sie einfach online. Viele Toro Ersatzteile halten wir ständig in unserem Lager für Sie bereit.





