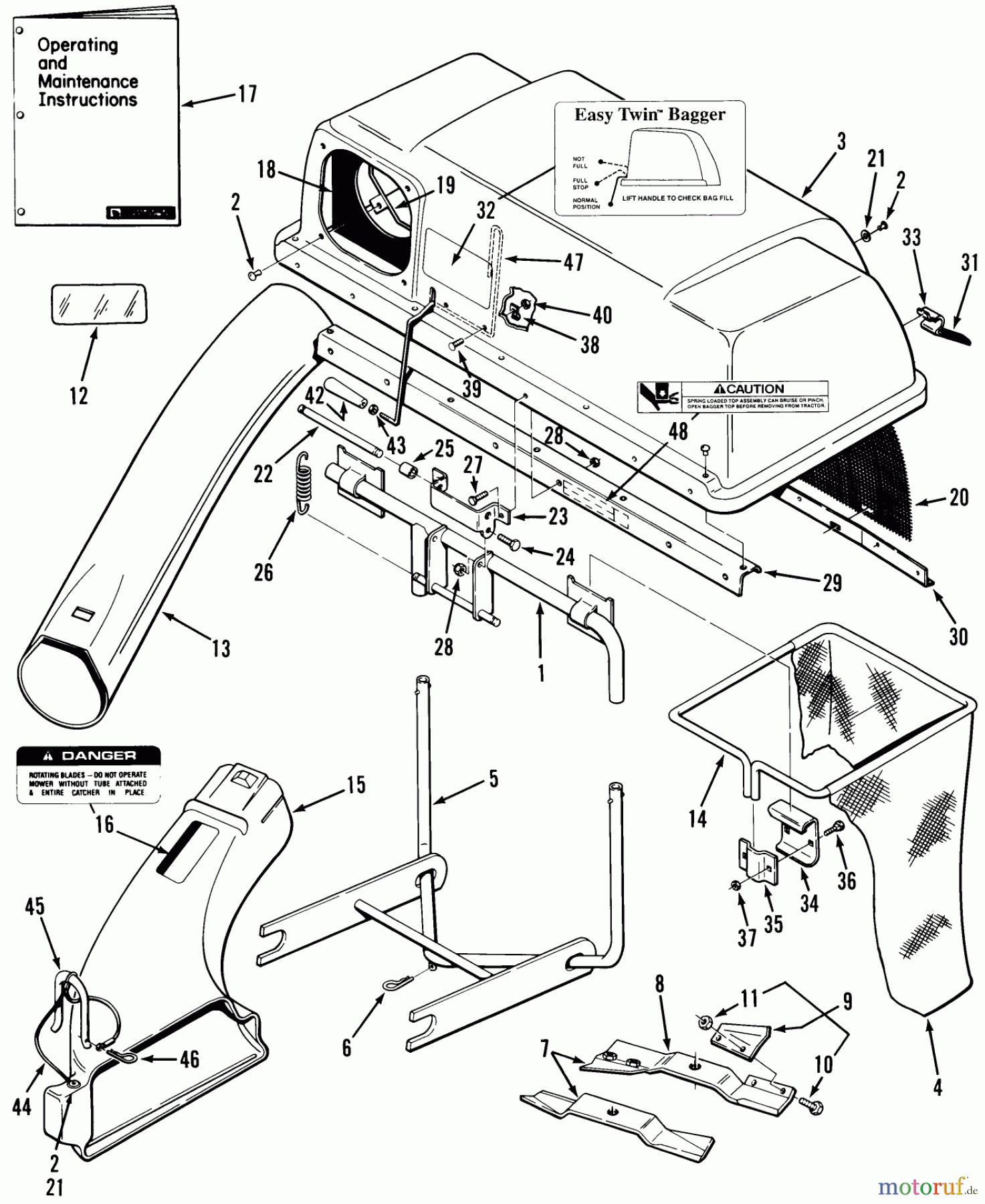
Toro 07-08BL01 - 30" Rear Bagger, 1991 (1000001-1999999) 250-SERIES EASY TWIN REAR GRASS BAGGER-37 IN. (94 CM) MOWER VEHICLE IDENTIFICATION NUMBER 07-08BK01 Ersatzteile
250-SERIES EASY TWIN REAR GRASS BAGGER-37 IN. (94 CM) MOWER VEHICLE IDENTIFICATION NUMBER 07-08BK01 07-08BL01 - Toro 30" Rear Bagger, 1991 (1000001-1999999)

Hier finden Sie die Ersatzteilzeichnung für Toro Neu Accessories, Mower 07-08BL01 - Toro 30" Rear Bagger, 1991 (1000001-1999999) 250-SERIES EASY TWIN REAR GRASS BAGGER-37 IN. (94 CM) MOWER VEHICLE IDENTIFICATION NUMBER 07-08BK01. Wählen Sie das benötigte Ersatzteil aus der Ersatzteilliste Ihres Toro Gerätes aus und bestellen Sie einfach online. Viele Toro Ersatzteile halten wir ständig in unserem Lager für Sie bereit.


Qualitätsmanagement
Informieren Sie uns, wenn Sie einen Fehler gefunden haben.




