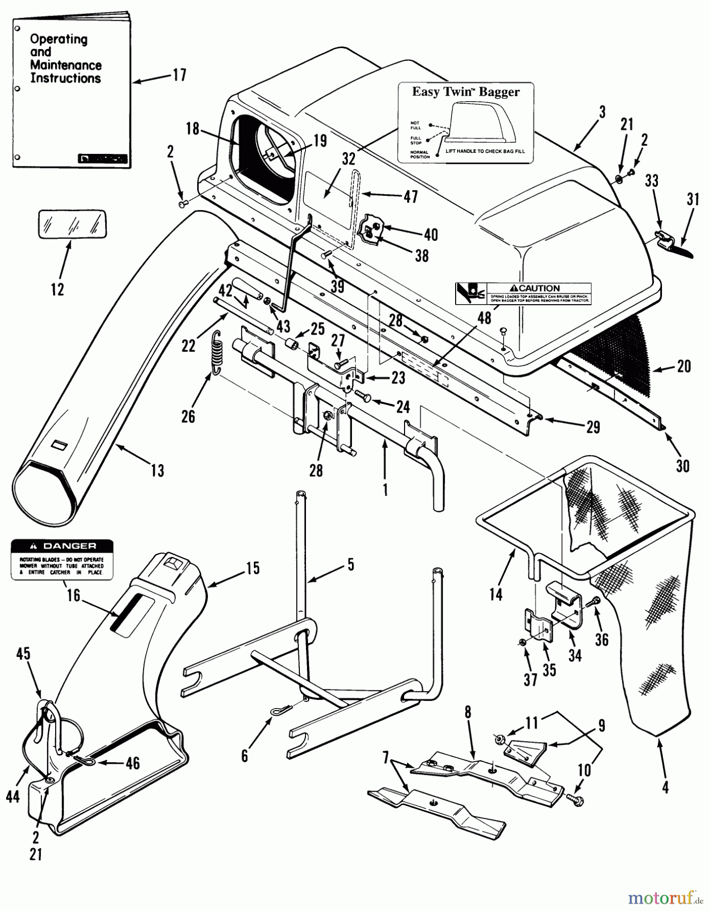
Toro 07-08BL01 - 30" Rear Bagger, 1989 250-SERIES EASY TWIN REAR GRASS BAGGER-37 IN. (94 CM) MOWER VEHICLE IDENTIFICATION NUMBER 07-08BK01 Ersatzteile
250-SERIES EASY TWIN REAR GRASS BAGGER-37 IN. (94 CM) MOWER VEHICLE IDENTIFICATION NUMBER 07-08BK01 07-08BL01 - Toro 30" Rear Bagger, 1989

Hier finden Sie die Ersatzteilzeichnung für Toro Neu Accessories, Mower 07-08BL01 - Toro 30" Rear Bagger, 1989 250-SERIES EASY TWIN REAR GRASS BAGGER-37 IN. (94 CM) MOWER VEHICLE IDENTIFICATION NUMBER 07-08BK01. Wählen Sie das benötigte Ersatzteil aus der Ersatzteilliste Ihres Toro Gerätes aus und bestellen Sie einfach online. Viele Toro Ersatzteile halten wir ständig in unserem Lager für Sie bereit.






