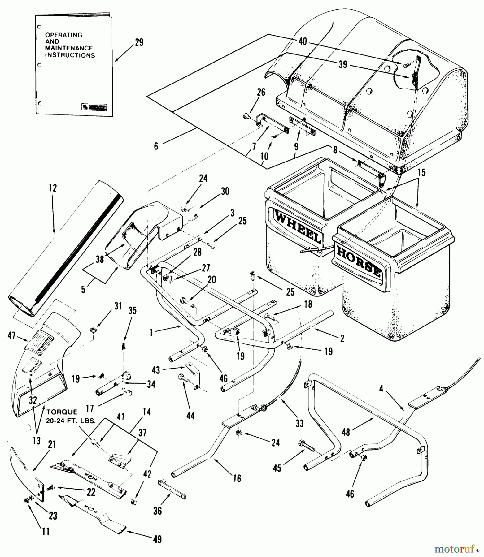
Toro 07-06BA02 - 32" Rear Bagger, 1983 B-SERIES REAR GRASS BAGGERS-5 BUSHEL (.2 CU. M) VEHICLE IDENTIFICATION NUMBERS 07-06CX01 37 IN. (94 CM) MOWER Ersatzteile
B-SERIES REAR GRASS BAGGERS-5 BUSHEL (.2 CU. M) VEHICLE IDENTIFICATION NUMBERS 07-06CX01 37 IN. (94 CM) MOWER 07-06BA02 - Toro 32" Rear Bagger, 1983

Hier finden Sie die Ersatzteilzeichnung für Toro Neu Accessories, Mower 07-06BA02 - Toro 32" Rear Bagger, 1983 B-SERIES REAR GRASS BAGGERS-5 BUSHEL (.2 CU. M) VEHICLE IDENTIFICATION NUMBERS 07-06CX01 37 IN. (94 CM) MOWER. Wählen Sie das benötigte Ersatzteil aus der Ersatzteilliste Ihres Toro Gerätes aus und bestellen Sie einfach online. Viele Toro Ersatzteile halten wir ständig in unserem Lager für Sie bereit.




