Bestgreen BG PRO 107 HSBK 13HM79KG655 (2019) Mähwerk G (42"/107cm) Ersatzteile
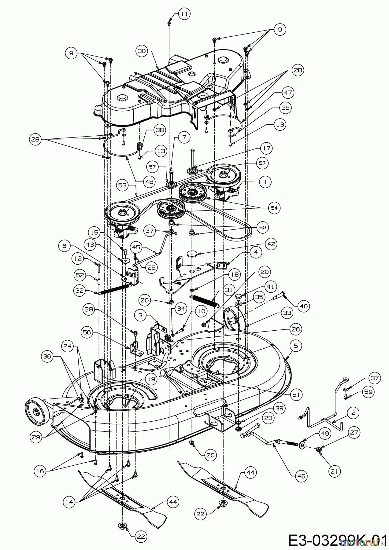
Mähwerk G (42"/107cm) 13HM79KG655 (2019)

Hier finden Sie die Ersatzteilzeichnung für Bestgreen Rasentraktoren BG PRO 107 HSBK 13HM79KG655 (2019) Mähwerk G (42"/107cm). Wählen Sie das benötigte Ersatzteil aus der Ersatzteilliste Ihres Bestgreen Gerätes aus und bestellen Sie einfach online. Viele Bestgreen Ersatzteile halten wir ständig in unserem Lager für Sie bereit.


Qualitätsmanagement
Informieren Sie uns, wenn Sie einen Fehler gefunden haben.










































