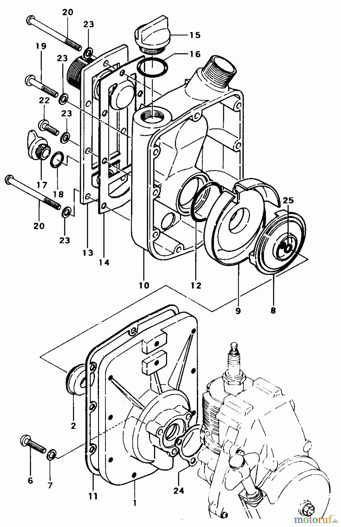
Tanaka QCP-121 - Centrifugal Pump Pump Ersatzteile
Pump QCP-121 - Tanaka Centrifugal Pump

Hier finden Sie die Ersatzteilzeichnung für Tanaka Wasser Pumpen QCP-121 - Tanaka Centrifugal Pump Pump. Wählen Sie das benötigte Ersatzteil aus der Ersatzteilliste Ihres Tanaka Gerätes aus und bestellen Sie einfach online. Viele Tanaka Ersatzteile halten wir ständig in unserem Lager für Sie bereit.



