Tanaka QCP-121 - Centrifugal Pump Engine Ersatzteile
Engine QCP-121 - Tanaka Centrifugal Pump

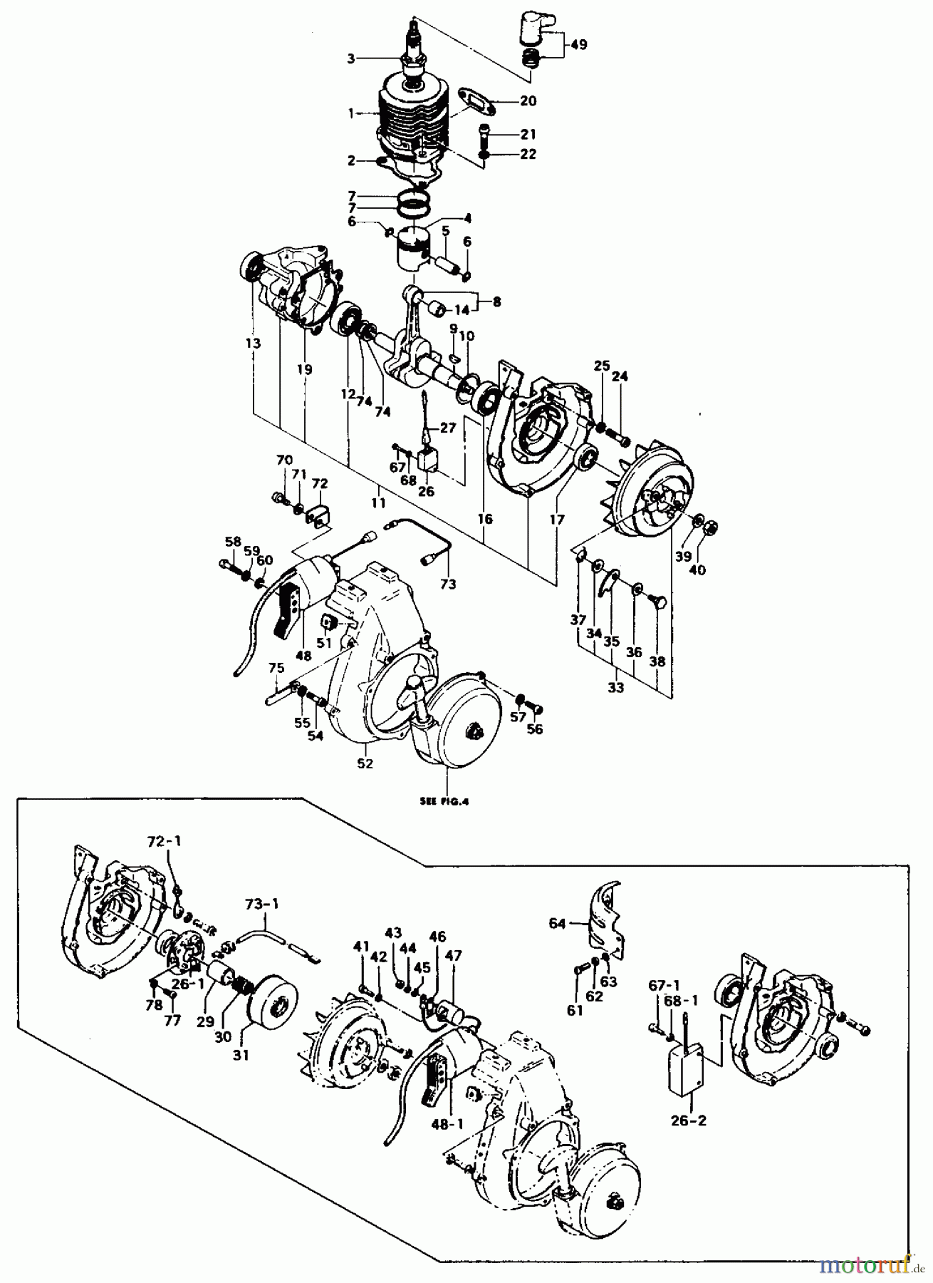
Hier finden Sie die Ersatzteilzeichnung für Tanaka Wasser Pumpen QCP-121 - Tanaka Centrifugal Pump Engine. Wählen Sie das benötigte Ersatzteil aus der Ersatzteilliste Ihres Tanaka Gerätes aus und bestellen Sie einfach online. Viele Tanaka Ersatzteile halten wir ständig in unserem Lager für Sie bereit.





