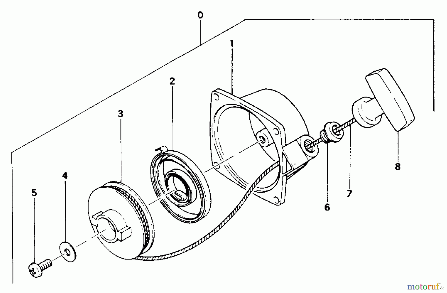
Tanaka TST-218 - Telescopic Shaft Trimmer Recoil Starter Ersatzteile
Recoil Starter TST-218 - Tanaka Telescopic Shaft Trimmer

Hier finden Sie die Ersatzteilzeichnung für Tanaka Trimmer, Motorsensen TST-218 - Tanaka Telescopic Shaft Trimmer Recoil Starter. Wählen Sie das benötigte Ersatzteil aus der Ersatzteilliste Ihres Tanaka Gerätes aus und bestellen Sie einfach online. Viele Tanaka Ersatzteile halten wir ständig in unserem Lager für Sie bereit.





