Tanaka TST-218 - Telescopic Shaft Trimmer Engine Ersatzteile
Engine TST-218 - Tanaka Telescopic Shaft Trimmer

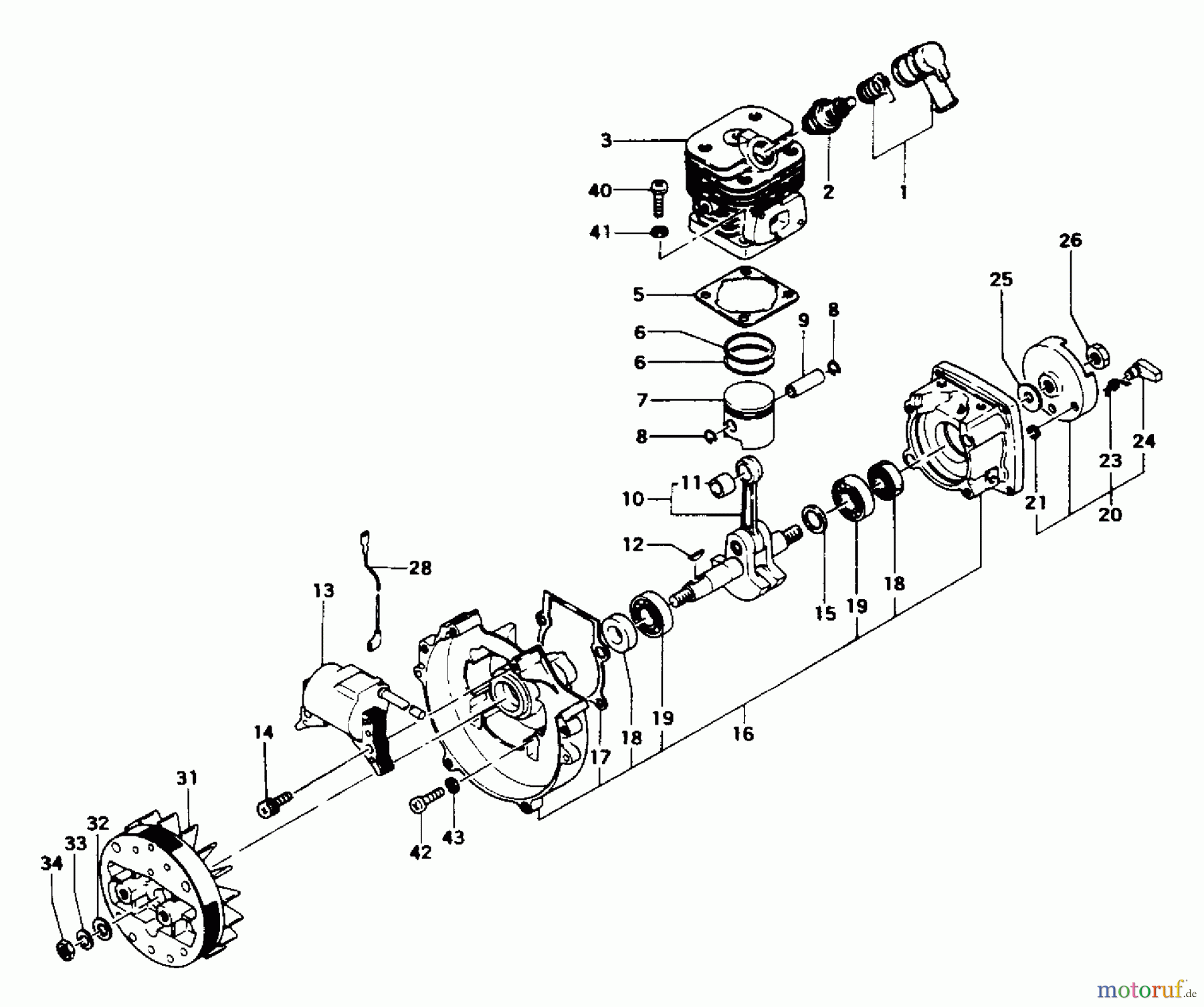
Hier finden Sie die Ersatzteilzeichnung für Tanaka Trimmer, Motorsensen TST-218 - Tanaka Telescopic Shaft Trimmer Engine. Wählen Sie das benötigte Ersatzteil aus der Ersatzteilliste Ihres Tanaka Gerätes aus und bestellen Sie einfach online. Viele Tanaka Ersatzteile halten wir ständig in unserem Lager für Sie bereit.


Qualitätsmanagement
Informieren Sie uns, wenn Sie einen Fehler gefunden haben.


