Tanaka TBC-5500 - Trimmer / Brush Cutter Engine Ersatzteile
Engine TBC-5500 - Tanaka Trimmer / Brush Cutter

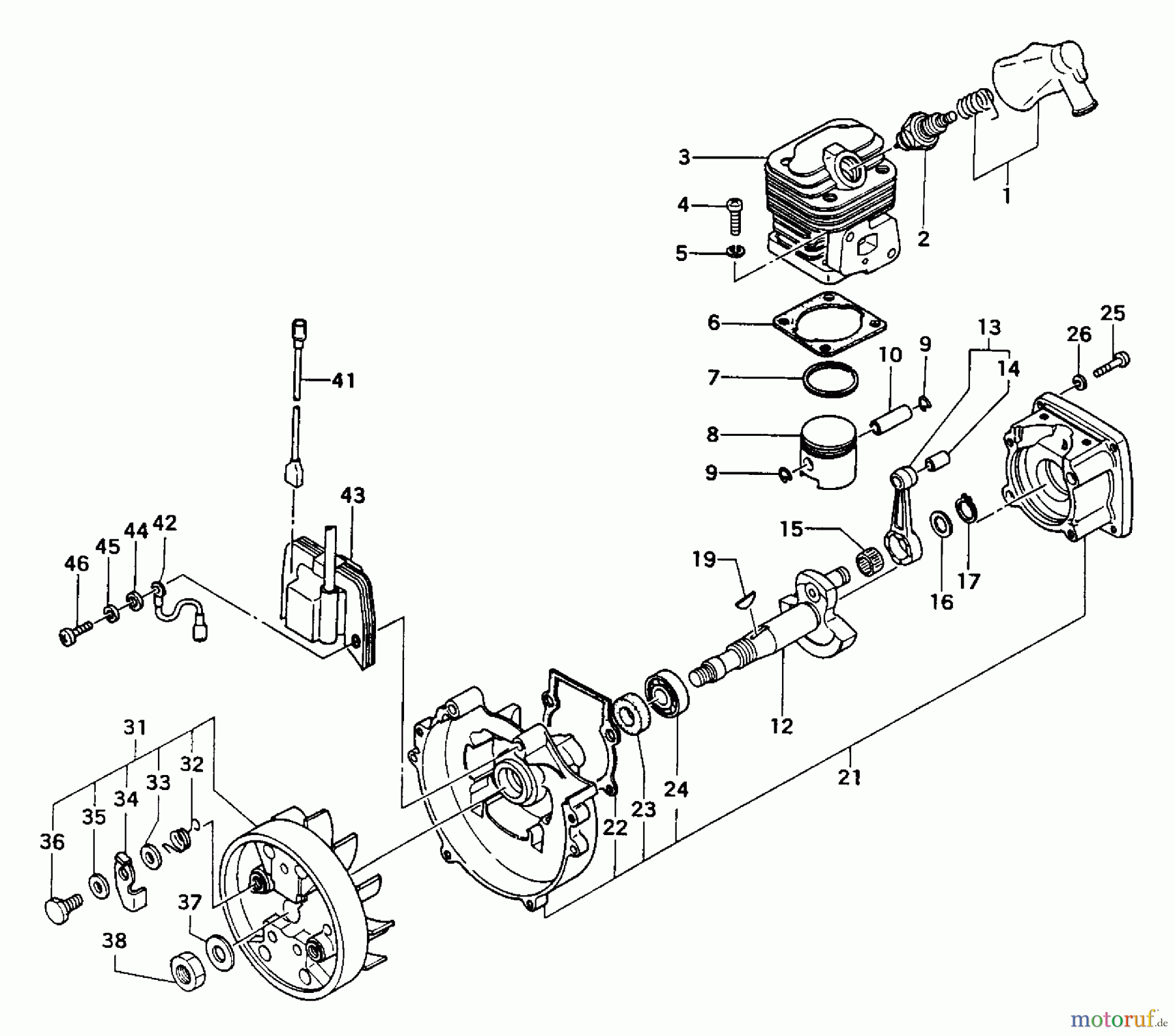
Hier finden Sie die Ersatzteilzeichnung für Tanaka Trimmer, Motorsensen TBC-5500 - Tanaka Trimmer / Brush Cutter Engine. Wählen Sie das benötigte Ersatzteil aus der Ersatzteilliste Ihres Tanaka Gerätes aus und bestellen Sie einfach online. Viele Tanaka Ersatzteile halten wir ständig in unserem Lager für Sie bereit.


Qualitätsmanagement
Informieren Sie uns, wenn Sie einen Fehler gefunden haben.


