Tanaka TBC-400PF - Brushcutter, 40cc Air Filter Ersatzteile
Air Filter TBC-400PF - Tanaka Brushcutter, 40cc

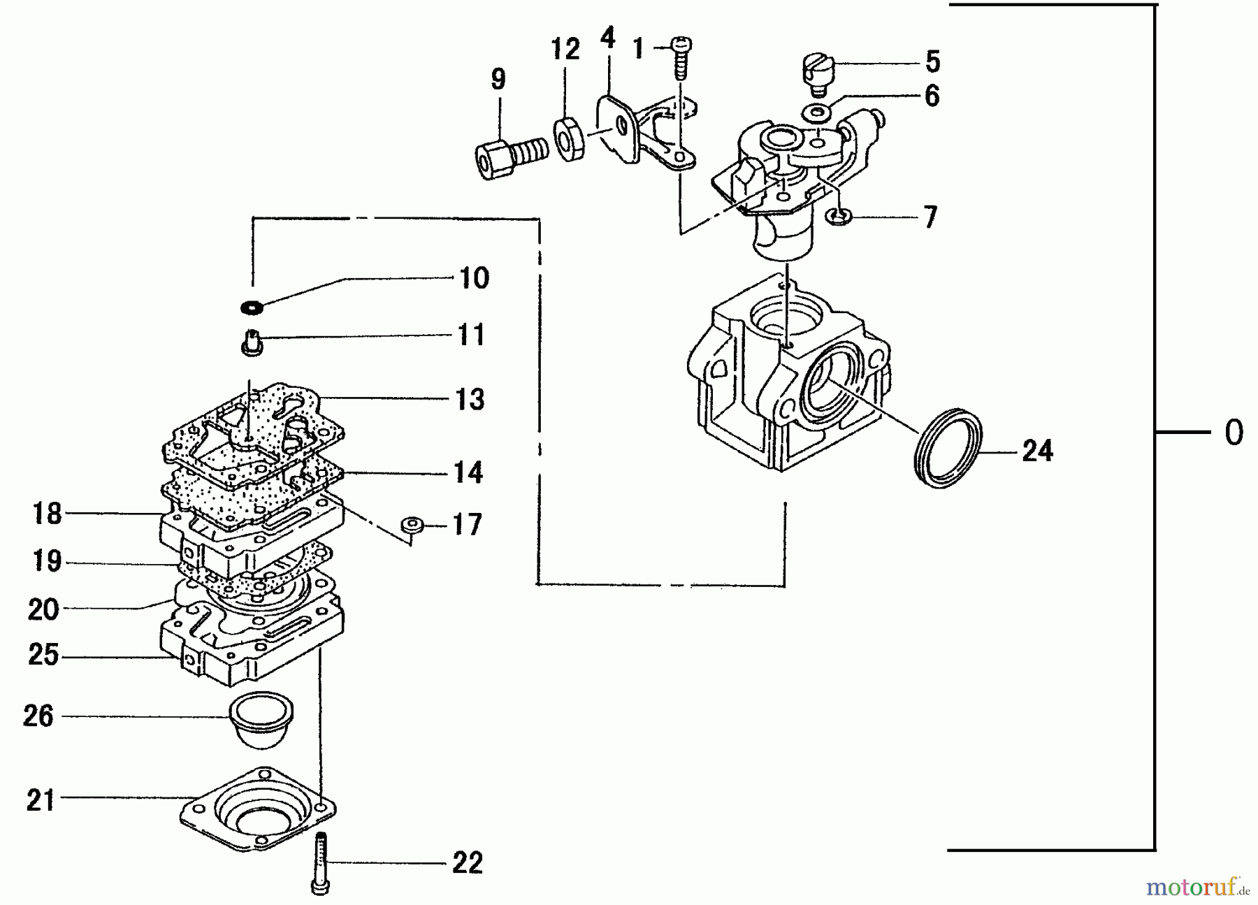
Hier finden Sie die Ersatzteilzeichnung für Tanaka Trimmer, Motorsensen TBC-400PF - Tanaka Brushcutter, 40cc Air Filter. Wählen Sie das benötigte Ersatzteil aus der Ersatzteilliste Ihres Tanaka Gerätes aus und bestellen Sie einfach online. Viele Tanaka Ersatzteile halten wir ständig in unserem Lager für Sie bereit.


Qualitätsmanagement
Informieren Sie uns, wenn Sie einen Fehler gefunden haben.


