Tanaka TBC-4000 - Brush Cutter Engine Components Ersatzteile
Engine Components TBC-4000 - Tanaka Brush Cutter

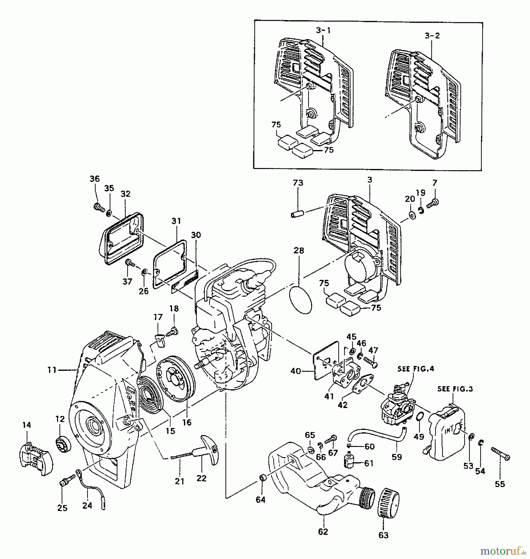
Hier finden Sie die Ersatzteilzeichnung für Tanaka Trimmer, Motorsensen TBC-4000 - Tanaka Brush Cutter Engine Components. Wählen Sie das benötigte Ersatzteil aus der Ersatzteilliste Ihres Tanaka Gerätes aus und bestellen Sie einfach online. Viele Tanaka Ersatzteile halten wir ständig in unserem Lager für Sie bereit.
Häufig benötigte Tanaka TBC-4000 - Brush Cutter Engine Components Ersatzteile

Artikelnummer: 669-1716
Suche nach: 669-1716
Hersteller: Tanaka
Tanaka Ersatzteil Engine Components
Suche nach: 669-1716
Hersteller: Tanaka
Tanaka Ersatzteil Engine Components
13.21 €
für EU incl. MwSt., zzgl. Versand









