Tanaka TBC-280 - Grass Trimmer Cylinder, Piston, Crankshaft, Ignition Ersatzteile
Cylinder, Piston, Crankshaft, Ignition TBC-280 - Tanaka Grass Trimmer

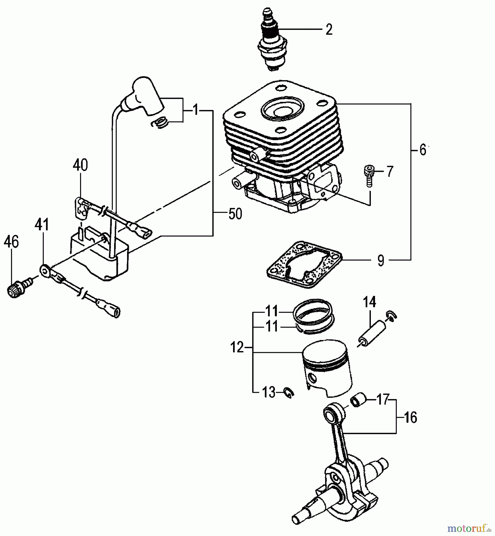
Hier finden Sie die Ersatzteilzeichnung für Tanaka Trimmer, Motorsensen TBC-280 - Tanaka Grass Trimmer Cylinder, Piston, Crankshaft, Ignition. Wählen Sie das benötigte Ersatzteil aus der Ersatzteilliste Ihres Tanaka Gerätes aus und bestellen Sie einfach online. Viele Tanaka Ersatzteile halten wir ständig in unserem Lager für Sie bereit.


Qualitätsmanagement
Informieren Sie uns, wenn Sie einen Fehler gefunden haben.



