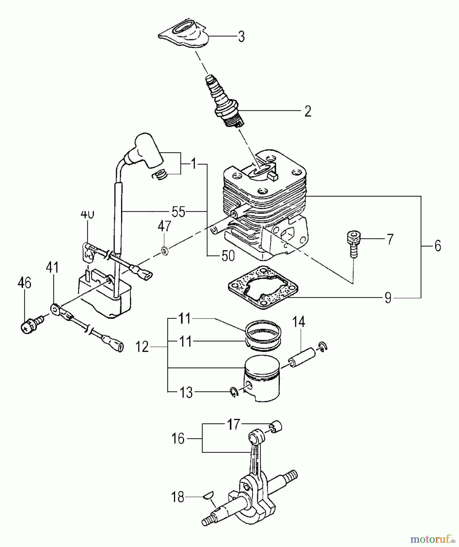
Tanaka TBC-270PN - Grass Trimmer / Brush Cutter, Low Emission Engine / Cylinder, Piston, Crankshaft Ersatzteile
Engine / Cylinder, Piston, Crankshaft TBC-270PN - Tanaka Grass Trimmer / Brush Cutter, Low Emission

Hier finden Sie die Ersatzteilzeichnung für Tanaka Trimmer, Motorsensen TBC-270PN - Tanaka Grass Trimmer / Brush Cutter, Low Emission Engine / Cylinder, Piston, Crankshaft. Wählen Sie das benötigte Ersatzteil aus der Ersatzteilliste Ihres Tanaka Gerätes aus und bestellen Sie einfach online. Viele Tanaka Ersatzteile halten wir ständig in unserem Lager für Sie bereit.


Qualitätsmanagement
Informieren Sie uns, wenn Sie einen Fehler gefunden haben.


