Tanaka TBC-240PF - Grass Trimmer Fuel Tank Ersatzteile
Fuel Tank TBC-240PF - Tanaka Grass Trimmer

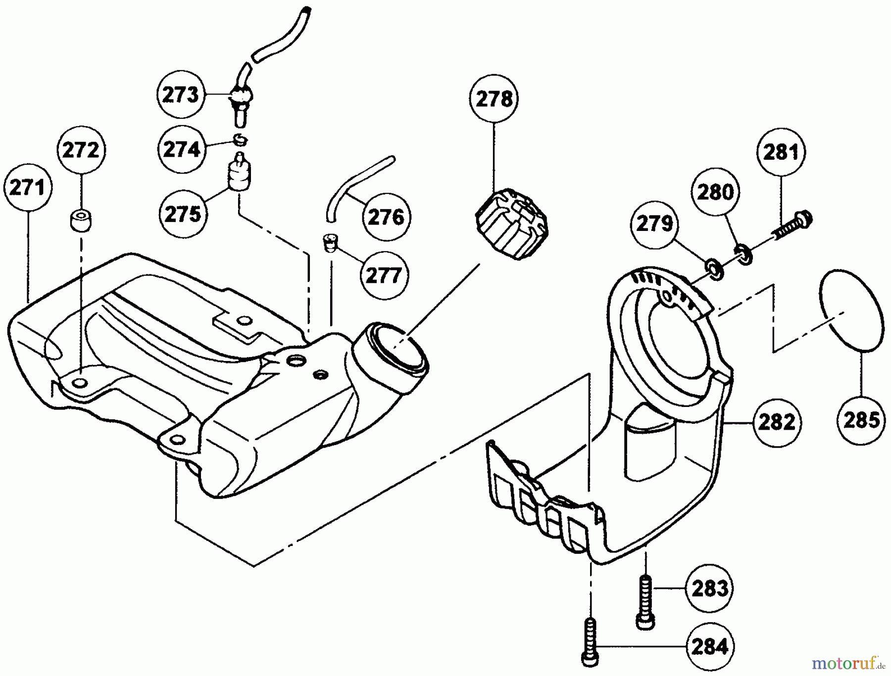
Hier finden Sie die Ersatzteilzeichnung für Tanaka Trimmer, Motorsensen TBC-240PF - Tanaka Grass Trimmer Fuel Tank. Wählen Sie das benötigte Ersatzteil aus der Ersatzteilliste Ihres Tanaka Gerätes aus und bestellen Sie einfach online. Viele Tanaka Ersatzteile halten wir ständig in unserem Lager für Sie bereit.
| BildNr | Artikel Nummer | Bezeichnung | |
| 271 | 6685043 | ||
| 272 | 668-4623 | Huelse C TBC420/430PF, | |
| 273 | ![]() | 668-8169 | Benzinschlauch (R 223-01380- |
| 274 | ![]() | 668-4619 | Clip 680-00731-20 |
| 275 | ![]() | 668-4620 | Benzinfilter 675-04042-80 |
| 276 | 6696160 | ||
| 277 | ![]() | 668-4627 | Tuelle 534-32710-20 |
| 278 | 668-5071 | Tankdeckel Kpl. | |
| 279 | 668-4632 | Scheibe 4 | |
| 280 | ![]() | 668-4633 | Sicherungsring THT210, |
| 281 | 668-4631 | Schraube M4X45 | |
| 282 | 668-4630 | Ständer | |
| 283 | 668-4617 | Schraube | |
| 284 | 668-4634 | Schraube 994-63050-204 | |
| 285 | TBA | TBA | |


Qualitätsmanagement
Informieren Sie uns, wenn Sie einen Fehler gefunden haben.






