Tanaka TBC-2211 - Grass Trimmer Fuel System Ersatzteile
Fuel System TBC-2211 - Tanaka Grass Trimmer

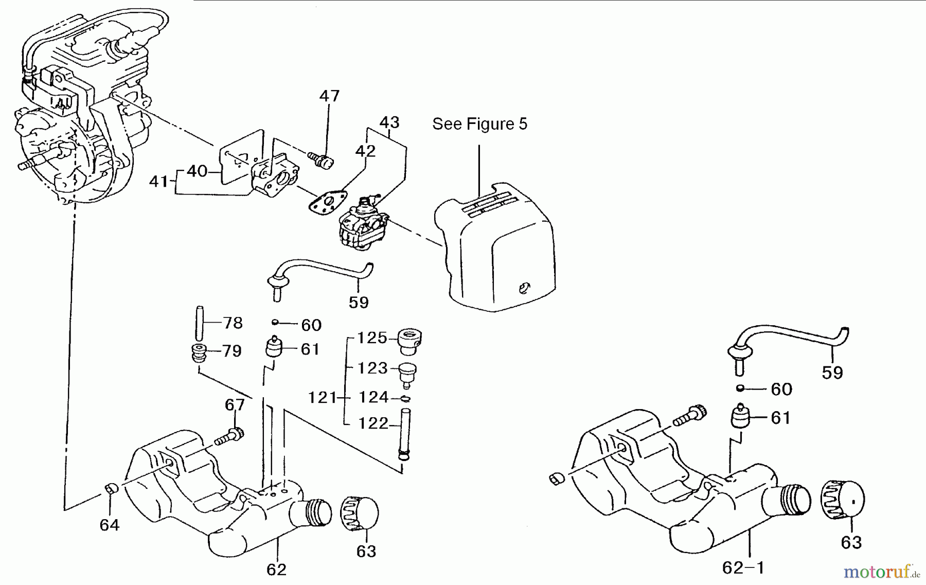
Hier finden Sie die Ersatzteilzeichnung für Tanaka Trimmer, Motorsensen TBC-2211 - Tanaka Grass Trimmer Fuel System. Wählen Sie das benötigte Ersatzteil aus der Ersatzteilliste Ihres Tanaka Gerätes aus und bestellen Sie einfach online. Viele Tanaka Ersatzteile halten wir ständig in unserem Lager für Sie bereit.
Häufig benötigte Tanaka TBC-2211 - Grass Trimmer Fuel System Ersatzteile


Qualitätsmanagement
Informieren Sie uns, wenn Sie einen Fehler gefunden haben.









