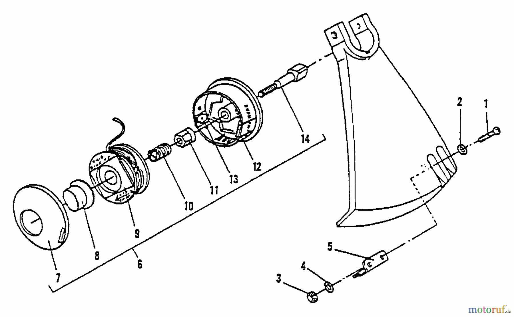
Tanaka TBC-200 - Brush Cutter Stringhead Assembly Ersatzteile
Stringhead Assembly TBC-200 - Tanaka Brush Cutter

Hier finden Sie die Ersatzteilzeichnung für Tanaka Trimmer, Motorsensen TBC-200 - Tanaka Brush Cutter Stringhead Assembly. Wählen Sie das benötigte Ersatzteil aus der Ersatzteilliste Ihres Tanaka Gerätes aus und bestellen Sie einfach online. Viele Tanaka Ersatzteile halten wir ständig in unserem Lager für Sie bereit.
| BildNr | Artikel Nummer | Bezeichnung | |
| 1 | 99037702300 | ||
| 2 | 99237702200 | ||
| 3 | 99237702100 | ||
| 4 | 99237702300 | ||
| 5 | 300626 | 300626 | |
| 6 | 746852 | ||
| 7 | 1408 | 1408 | |
| 8 | 1407 | 1407 | |
| 9 | 1404 | 1404 | |
| 10 | 1405 | 1405 | |
| 11 | 1406 | 1406 | |
| 12 | 1-402 | Starterseil 4mm/ 1.5m | |
| 13 | 1-403 | Starterseil 4.0mm/ 1.0m | |
| 14 | ![]() | 1-401 | Starterseil 4 mm/ 50 m Rolle |




