Tanaka AST-5000 - AutoStart Trimmer Tools & Nylon Head Ersatzteile
Tools & Nylon Head AST-5000 - Tanaka AutoStart Trimmer

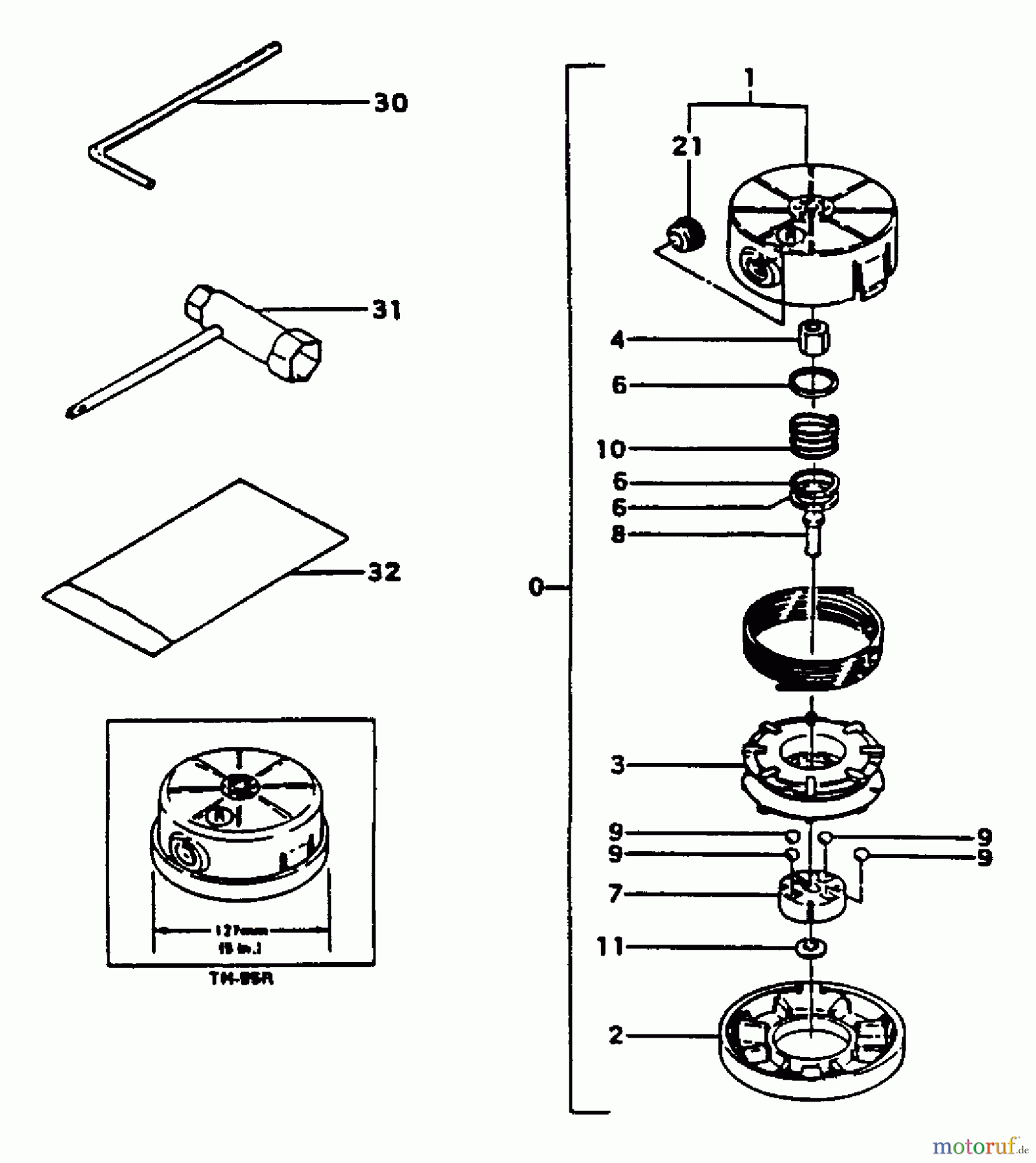
Hier finden Sie die Ersatzteilzeichnung für Tanaka Trimmer, Motorsensen AST-5000 - Tanaka AutoStart Trimmer Tools & Nylon Head. Wählen Sie das benötigte Ersatzteil aus der Ersatzteilliste Ihres Tanaka Gerätes aus und bestellen Sie einfach online. Viele Tanaka Ersatzteile halten wir ständig in unserem Lager für Sie bereit.


Qualitätsmanagement
Informieren Sie uns, wenn Sie einen Fehler gefunden haben.



