Tanaka AST-5000 - AutoStart Trimmer Engine Ersatzteile
Engine AST-5000 - Tanaka AutoStart Trimmer

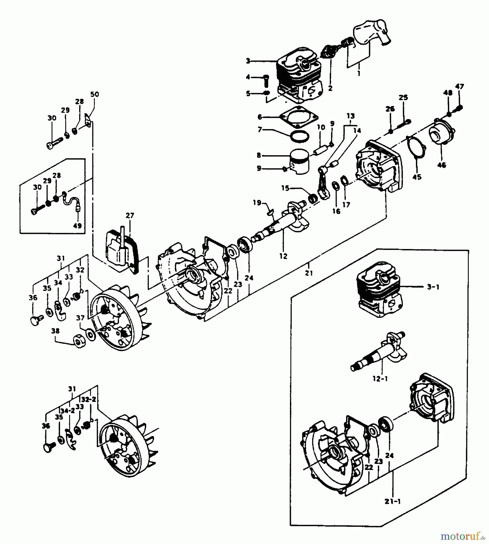
Hier finden Sie die Ersatzteilzeichnung für Tanaka Trimmer, Motorsensen AST-5000 - Tanaka AutoStart Trimmer Engine. Wählen Sie das benötigte Ersatzteil aus der Ersatzteilliste Ihres Tanaka Gerätes aus und bestellen Sie einfach online. Viele Tanaka Ersatzteile halten wir ständig in unserem Lager für Sie bereit.




