Tanaka AST-210 - AutoStart Trimmer Clutch Case & Wires Ersatzteile
Clutch Case & Wires AST-210 - Tanaka AutoStart Trimmer

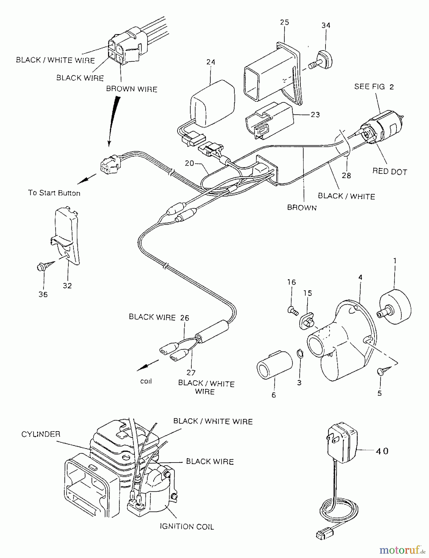
Hier finden Sie die Ersatzteilzeichnung für Tanaka Trimmer, Motorsensen AST-210 - Tanaka AutoStart Trimmer Clutch Case & Wires. Wählen Sie das benötigte Ersatzteil aus der Ersatzteilliste Ihres Tanaka Gerätes aus und bestellen Sie einfach online. Viele Tanaka Ersatzteile halten wir ständig in unserem Lager für Sie bereit.
| BildNr | Artikel Nummer | Bezeichnung | |
| 1 | 6688573 | ||
| 3 | 668-4821 | Sicherungsring TBC2400SDH,, | |
| 4 | 3310006D80 | ||
| 5 | 669-5106 | Schraube 5x18 TBC2400SDH, | |
| 6 | 6691837 | ||
| 15 | 6691290 | ||
| 16 | 669-5045 | Schraube 5x15 TBC500, | |
| 20 | 6692237 | ||
| 23 | 6691821 | ||
| 24 | 6692247 | ||
| 25 | 6694845 | ||
| 26 | 6687779 | ||
| 27 | 6688434 | ||
| 28 | 26637600200 | ||
| 32 | 1360006D20 | ||
| 34 | 668-4655 | Gehäusebuchse CG24EKD | |
| 36 | 990-73050-184 | Schraube 5x18 TBC2400SDH, | |
| 40 | 6692261 | ||


Qualitätsmanagement
Informieren Sie uns, wenn Sie einen Fehler gefunden haben.

