Tanaka TPS-270PF - Extended Reach Pole Saw Fuel System, Air Cleaner Cover Ersatzteile
Fuel System, Air Cleaner Cover TPS-270PF - Tanaka Extended Reach Pole Saw

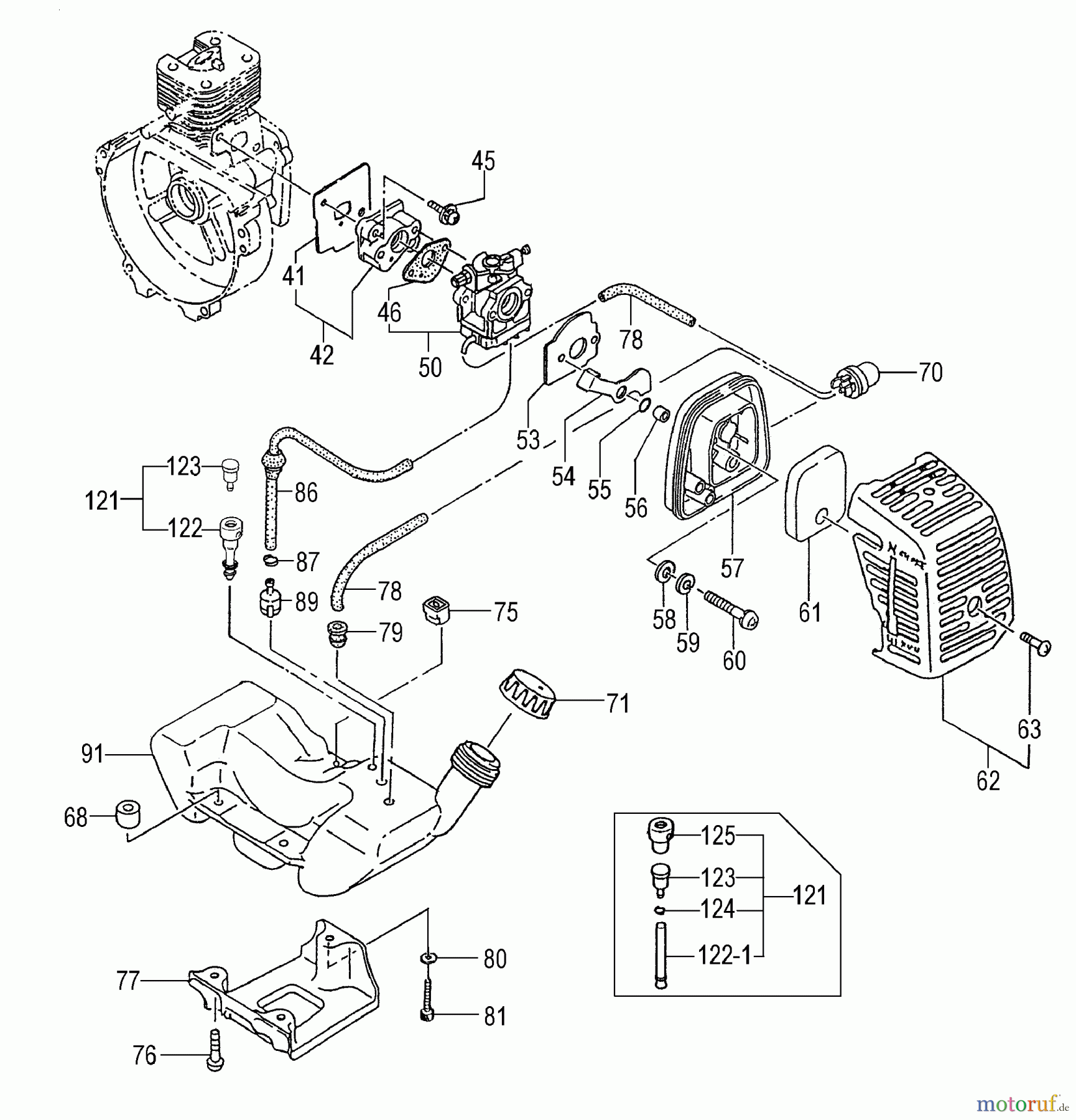
Hier finden Sie die Ersatzteilzeichnung für Tanaka Hochentaster TPS-270PF - Tanaka Extended Reach Pole Saw Fuel System, Air Cleaner Cover. Wählen Sie das benötigte Ersatzteil aus der Ersatzteilliste Ihres Tanaka Gerätes aus und bestellen Sie einfach online. Viele Tanaka Ersatzteile halten wir ständig in unserem Lager für Sie bereit.


Qualitätsmanagement
Informieren Sie uns, wenn Sie einen Fehler gefunden haben.









