Tanaka TPS-2501 - Extended Reach Pole Saw Starter Pawl, Flywheel, Crankcase Ersatzteile
Starter Pawl, Flywheel, Crankcase TPS-2501 - Tanaka Extended Reach Pole Saw

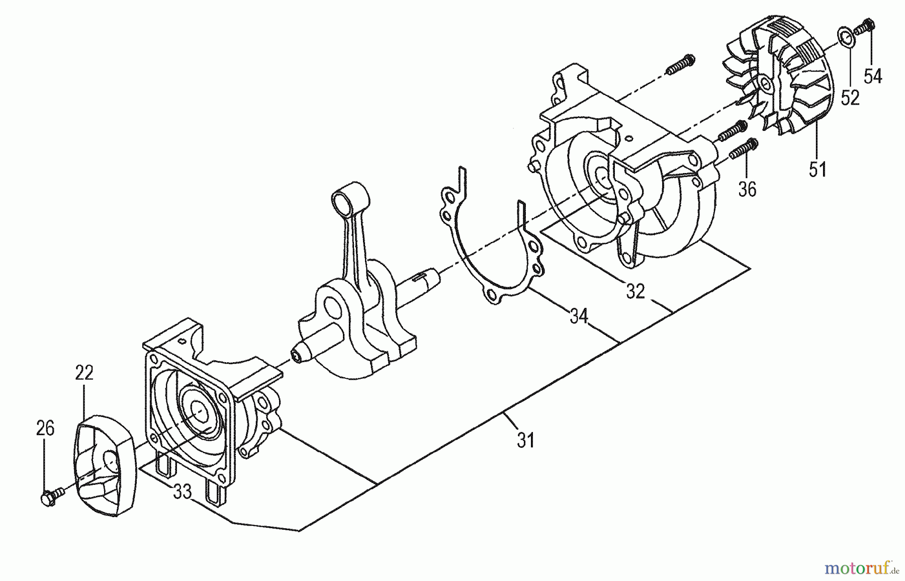
Hier finden Sie die Ersatzteilzeichnung für Tanaka Hochentaster TPS-2501 - Tanaka Extended Reach Pole Saw Starter Pawl, Flywheel, Crankcase. Wählen Sie das benötigte Ersatzteil aus der Ersatzteilliste Ihres Tanaka Gerätes aus und bestellen Sie einfach online. Viele Tanaka Ersatzteile halten wir ständig in unserem Lager für Sie bereit.
| BildNr | Artikel Nummer | Bezeichnung | |
| 22 | 669-3407 | Startermitnehmer kpl. | |
| 26 | 668-9739 | Spezialschraube M6 | |
| 31 | 668-6582 | Kurbelwellengehaeuse | |
| 32 | 6695535 | ||
| 33 | 669-5628 | Wellendichtring | |
| 34 | 668-6722 | Kurbelgehaeusedichtung | |
| 36 | 669-5343 | Schraube 5x25 TPS200/2510, | |
| 51 | 668-7357 | Polrad 2501 | |
| 52 | 668-4642 | Kupplungsscheibe B TBC300SDH, | |
| 54 | 6695434 | ||



