Tanaka TCS-3401S - Professional Pruning Saw Handles, Controls, Levers Ersatzteile
Handles, Controls, Levers TCS-3401S - Tanaka Professional Pruning Saw

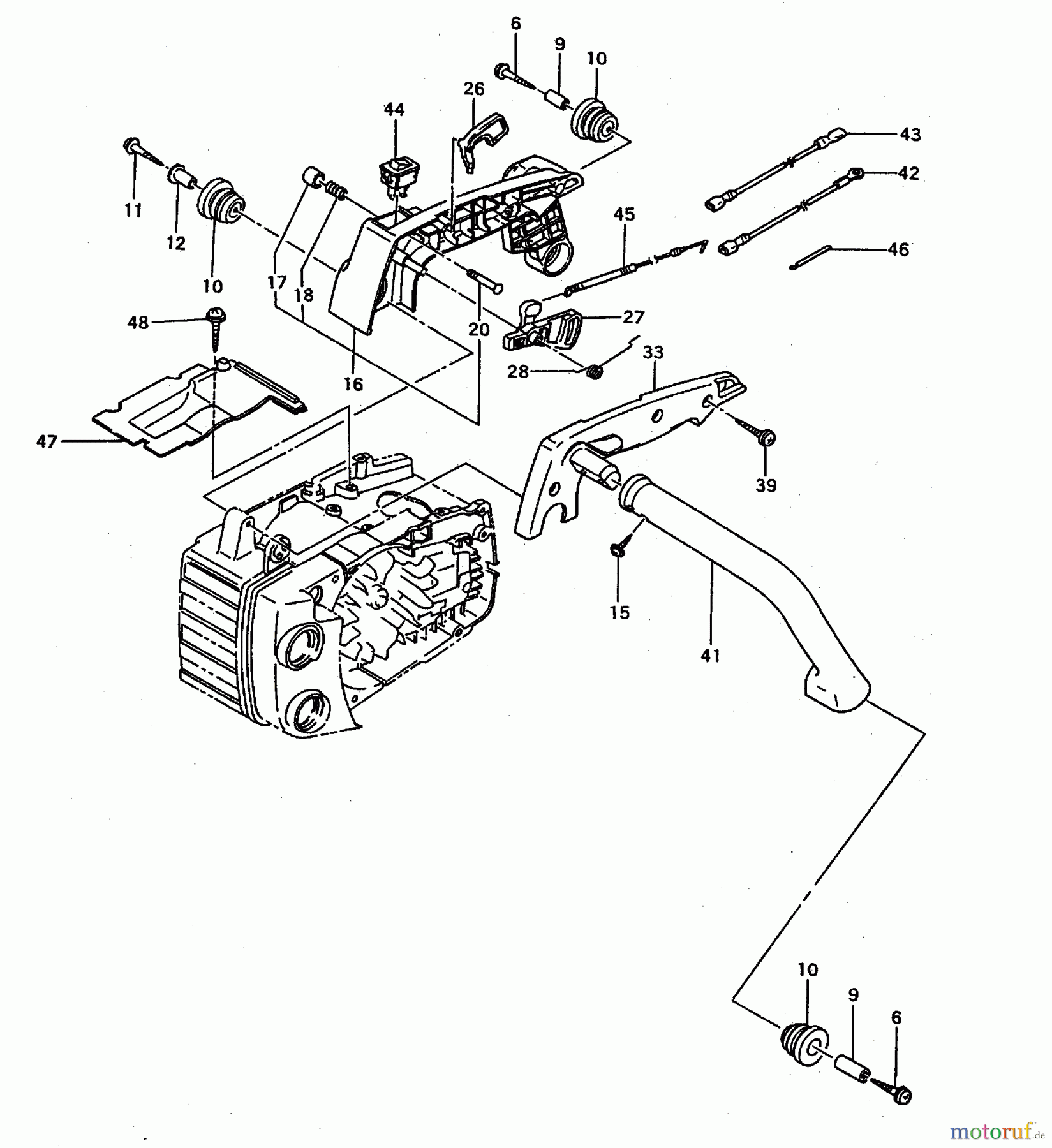
Hier finden Sie die Ersatzteilzeichnung für Tanaka Hochentaster TCS-3401S - Tanaka Professional Pruning Saw Handles, Controls, Levers. Wählen Sie das benötigte Ersatzteil aus der Ersatzteilliste Ihres Tanaka Gerätes aus und bestellen Sie einfach online. Viele Tanaka Ersatzteile halten wir ständig in unserem Lager für Sie bereit.






