Tanaka TCS-3351PFS - 32cc Chainsaw Engine Case, Starter, Clutch, Oiler Ersatzteile
Engine Case, Starter, Clutch, Oiler TCS-3351PFS - Tanaka 32cc Chainsaw

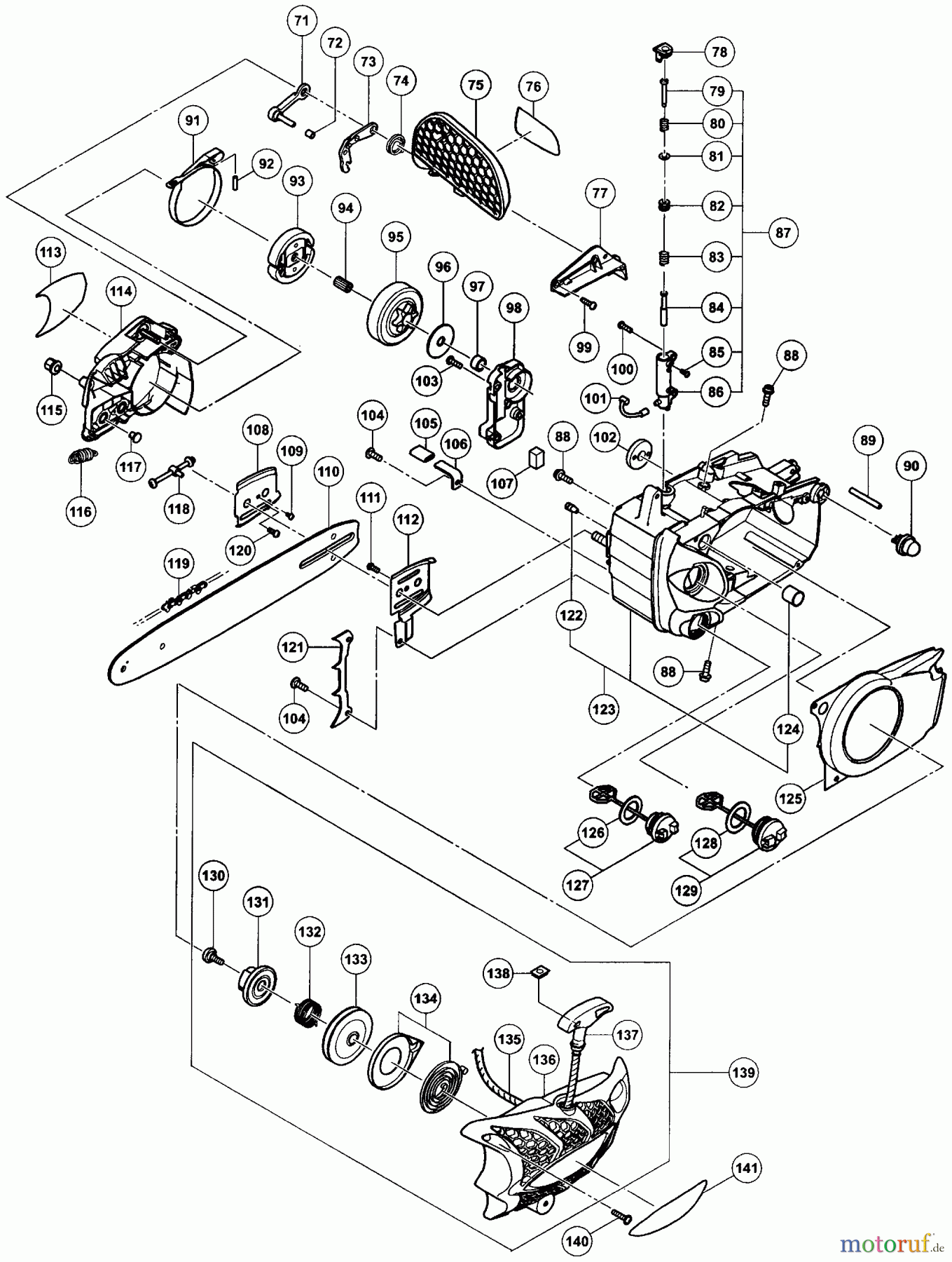
Hier finden Sie die Ersatzteilzeichnung für Tanaka Motorsägen TCS-3351PFS - Tanaka 32cc Chainsaw Engine Case, Starter, Clutch, Oiler. Wählen Sie das benötigte Ersatzteil aus der Ersatzteilliste Ihres Tanaka Gerätes aus und bestellen Sie einfach online. Viele Tanaka Ersatzteile halten wir ständig in unserem Lager für Sie bereit.


Qualitätsmanagement
Informieren Sie uns, wenn Sie einen Fehler gefunden haben.



