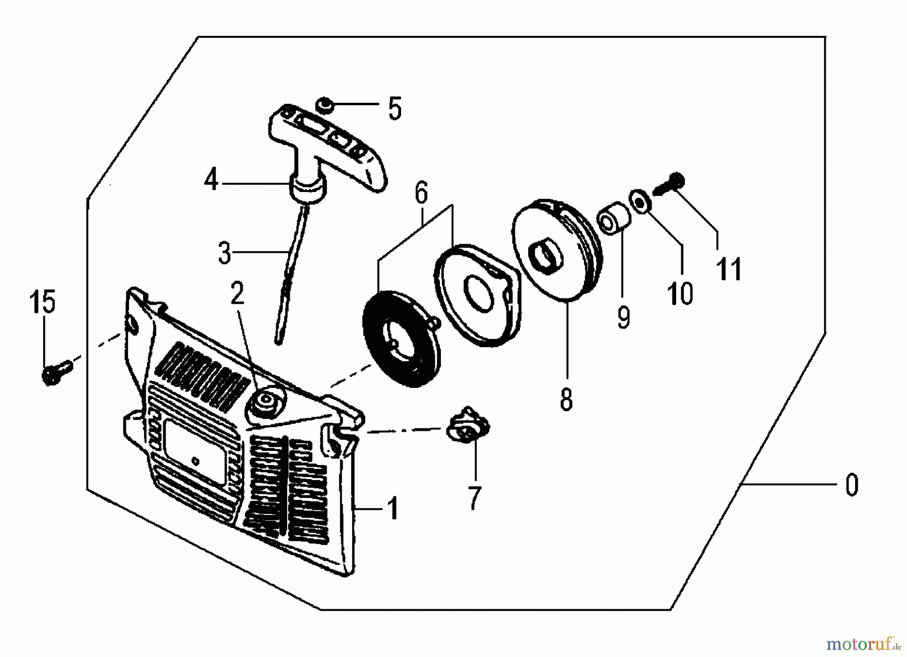
Tanaka ECV-5601 - Chainsaw Starter Ersatzteile
Starter ECV-5601 - Tanaka Chainsaw

Hier finden Sie die Ersatzteilzeichnung für Tanaka Motorsägen ECV-5601 - Tanaka Chainsaw Starter. Wählen Sie das benötigte Ersatzteil aus der Ersatzteilliste Ihres Tanaka Gerätes aus und bestellen Sie einfach online. Viele Tanaka Ersatzteile halten wir ständig in unserem Lager für Sie bereit.



