Tanaka ECV-4501 - Chainsaw Handles Ersatzteile
Handles ECV-4501 - Tanaka Chainsaw

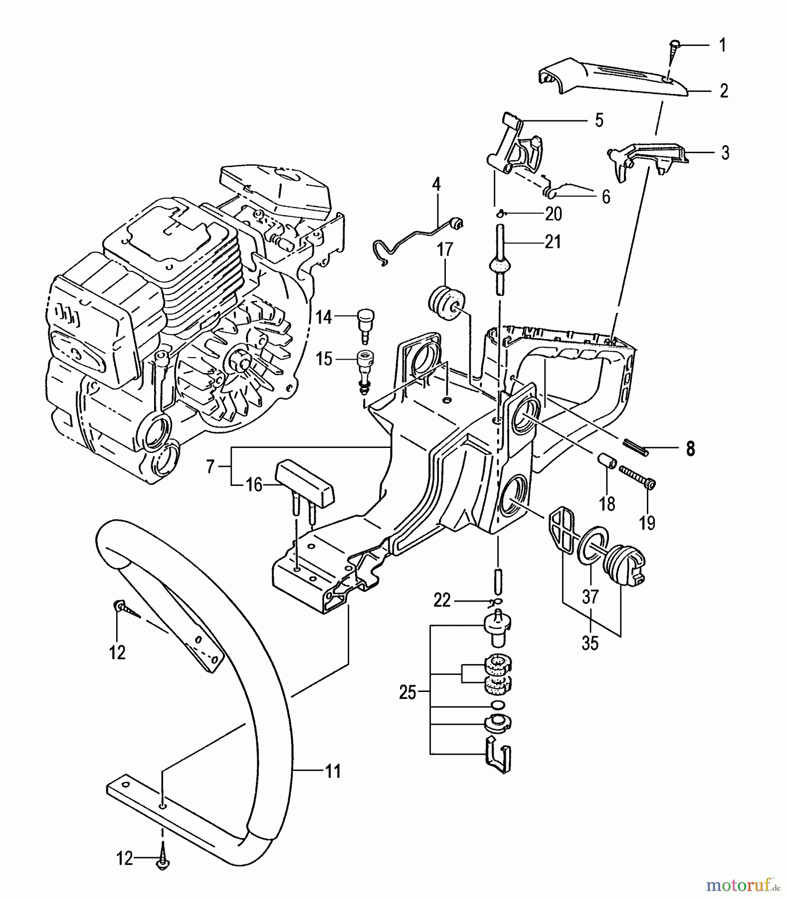
Hier finden Sie die Ersatzteilzeichnung für Tanaka Motorsägen ECV-4501 - Tanaka Chainsaw Handles. Wählen Sie das benötigte Ersatzteil aus der Ersatzteilliste Ihres Tanaka Gerätes aus und bestellen Sie einfach online. Viele Tanaka Ersatzteile halten wir ständig in unserem Lager für Sie bereit.
Häufig benötigte Tanaka ECV-4501 - Chainsaw Handles Ersatzteile

Artikelnummer: 669-2111
Suche nach: 669-2111
Hersteller: Tanaka
Tanaka Ersatzteil Handles
Suche nach: 669-2111
Hersteller: Tanaka
Tanaka Ersatzteil Handles
6.55 €
für EU incl. MwSt., zzgl. Versand





