Tanaka ECS-650 - Chainsaw Carburetor Ersatzteile
Carburetor ECS-650 - Tanaka Chainsaw

Hier finden Sie die Ersatzteilzeichnung für Tanaka Motorsägen ECS-650 - Tanaka Chainsaw Carburetor. Wählen Sie das benötigte Ersatzteil aus der Ersatzteilliste Ihres Tanaka Gerätes aus und bestellen Sie einfach online. Viele Tanaka Ersatzteile halten wir ständig in unserem Lager für Sie bereit.
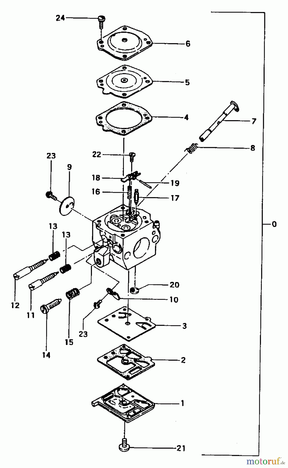
| BildNr | Artikel Nummer | Bezeichnung | |
| 0 | 45525012902 | ||
| 0 | 6690591 | ||
| 1 | 669-1420 | Pumpenkoerper TBC500 | |
| 2 | |||
| 3 | |||
| 4 | |||
| 5 | |||
| 6 | 669-0858 | Membrangehaeuse . | |
| 7 | 6690769 | ||
| 8 | 669-0909 | Feder . | |
| 9 | 669-0921 | Scheibe TBC500 | |
| 10 | 669-1334 | Anschlag TBC500 | |
| 11 | 46025012201 | ||
| 11 | 6690687 | ||
| 11 | 6690693 | ||
| 12 | 46125012201 | ||
| 12 | 46125012210 | ||
| 12 | 4612503620 | ||
| 13 | 669-2047 | Duesenfeder THT262,s.TB. | |
| 14 | 668-5298 | Einstellschraube ECS3351,s.TB. | |
| 15 | 669-0766 | Feder TBC500,TBC355SDH, siehe | |
| 16 | 669-0869 | Feder . | |
| 17 | |||
| 18 | |||
| 19 | |||
| 20 | |||
| 21 | 51425012200 | ||
| 22 | 54625001200 | ||
| 23 | 669-0793 | Schraube TBC500,TBC355SDH,s. | |
| 24 | 668-5223 | Schraube TBC355SDH,s.TB. | |
| 6692185 | |||



