Tanaka ECS-415 - Chainsaw Clutch & Brake Ersatzteile
Clutch & Brake ECS-415 - Tanaka Chainsaw

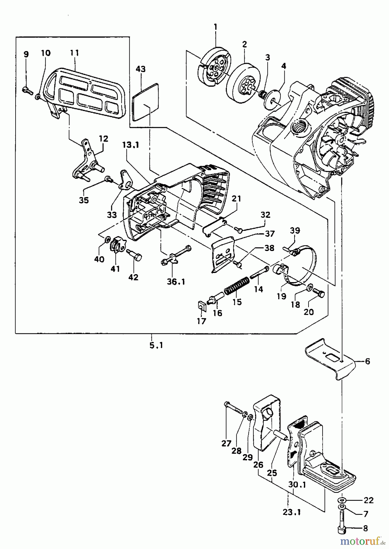
Hier finden Sie die Ersatzteilzeichnung für Tanaka Motorsägen ECS-415 - Tanaka Chainsaw Clutch & Brake. Wählen Sie das benötigte Ersatzteil aus der Ersatzteilliste Ihres Tanaka Gerätes aus und bestellen Sie einfach online. Viele Tanaka Ersatzteile halten wir ständig in unserem Lager für Sie bereit.



