Tanaka ECS-415 - Chainsaw Carburetor & Cleaner Ersatzteile
Carburetor & Cleaner ECS-415 - Tanaka Chainsaw

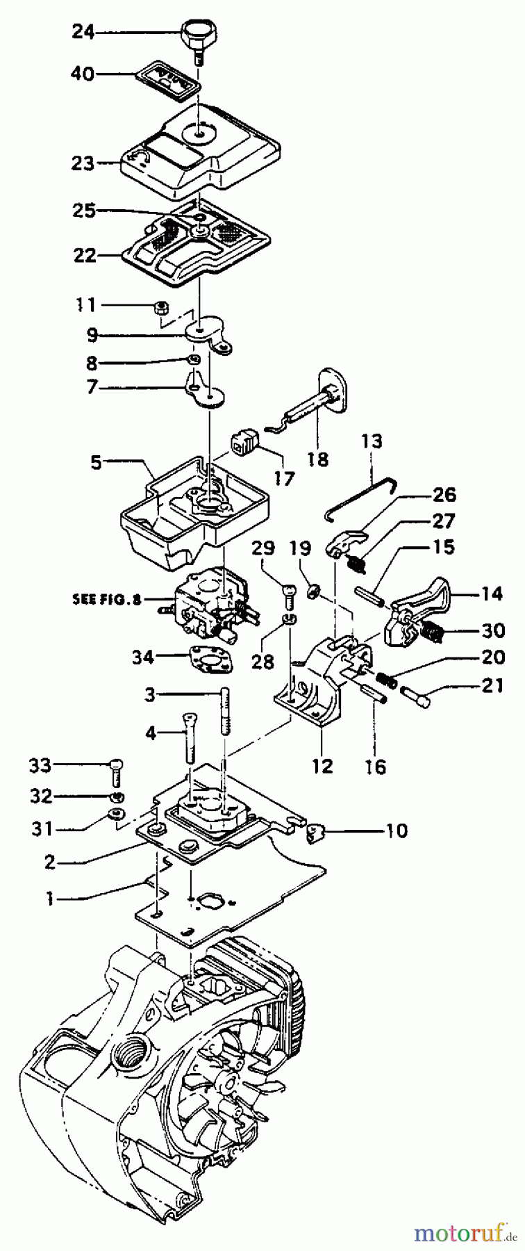
Hier finden Sie die Ersatzteilzeichnung für Tanaka Motorsägen ECS-415 - Tanaka Chainsaw Carburetor & Cleaner. Wählen Sie das benötigte Ersatzteil aus der Ersatzteilliste Ihres Tanaka Gerätes aus und bestellen Sie einfach online. Viele Tanaka Ersatzteile halten wir ständig in unserem Lager für Sie bereit.




