Tanaka ECS-4000 - Chainsaw Side Case Ersatzteile
Side Case ECS-4000 - Tanaka Chainsaw

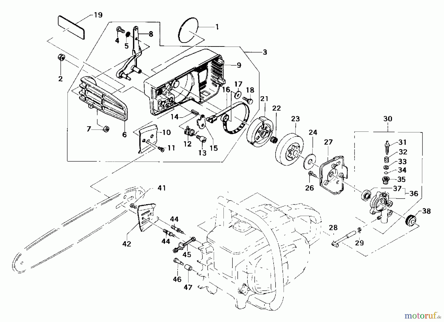
Hier finden Sie die Ersatzteilzeichnung für Tanaka Motorsägen ECS-4000 - Tanaka Chainsaw Side Case. Wählen Sie das benötigte Ersatzteil aus der Ersatzteilliste Ihres Tanaka Gerätes aus und bestellen Sie einfach online. Viele Tanaka Ersatzteile halten wir ständig in unserem Lager für Sie bereit.


Qualitätsmanagement
Informieren Sie uns, wenn Sie einen Fehler gefunden haben.

