Tanaka ECS-351 - Chainsaw Recoil Starter Ersatzteile
Recoil Starter ECS-351 - Tanaka Chainsaw

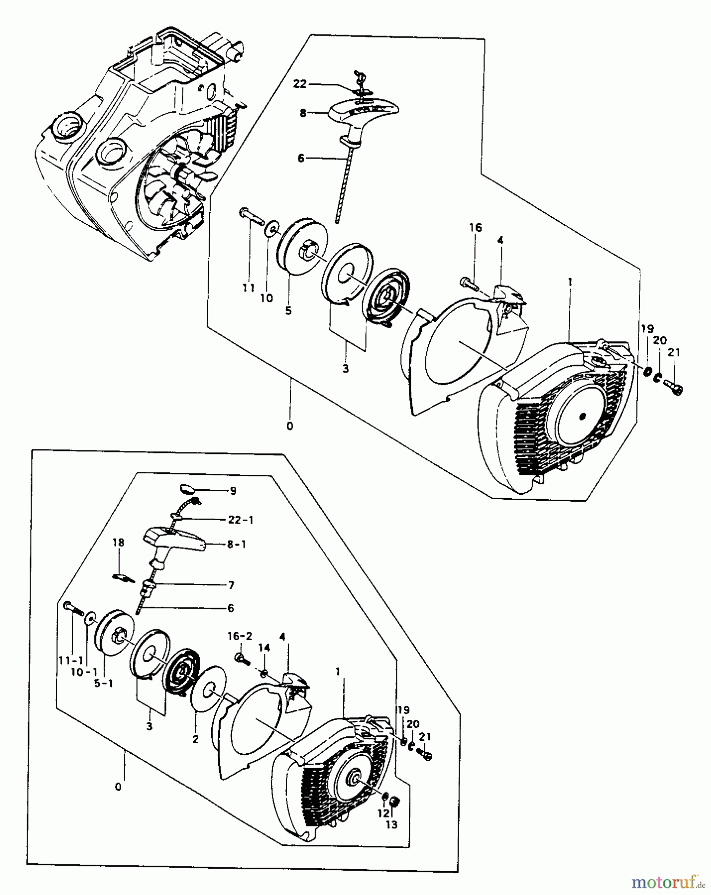
Hier finden Sie die Ersatzteilzeichnung für Tanaka Motorsägen ECS-351 - Tanaka Chainsaw Recoil Starter. Wählen Sie das benötigte Ersatzteil aus der Ersatzteilliste Ihres Tanaka Gerätes aus und bestellen Sie einfach online. Viele Tanaka Ersatzteile halten wir ständig in unserem Lager für Sie bereit.



