Tanaka TPK-470GS - 47cc Paveracer Kart Muffler & Clutch Ersatzteile
Muffler & Clutch TPK-470GS - Tanaka 47cc Paveracer Kart

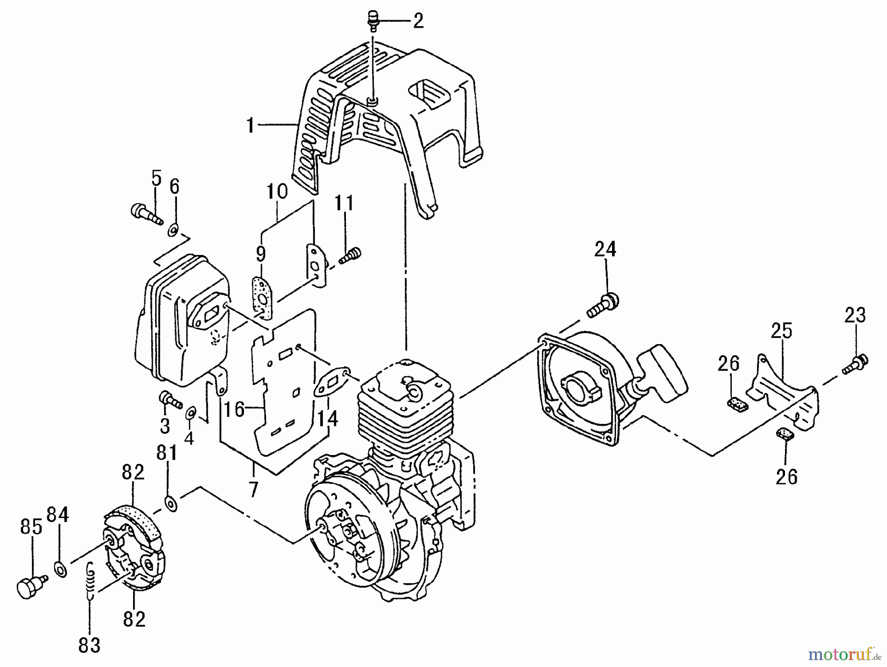
Hier finden Sie die Ersatzteilzeichnung für Tanaka Sonstiges TPK-470GS - Tanaka 47cc Paveracer Kart Muffler & Clutch. Wählen Sie das benötigte Ersatzteil aus der Ersatzteilliste Ihres Tanaka Gerätes aus und bestellen Sie einfach online. Viele Tanaka Ersatzteile halten wir ständig in unserem Lager für Sie bereit.




