Tanaka HTD-2520PF - Hedge Trimmer Clutch, Starter, Muffler Components Ersatzteile
Clutch, Starter, Muffler Components HTD-2520PF - Tanaka Hedge Trimmer

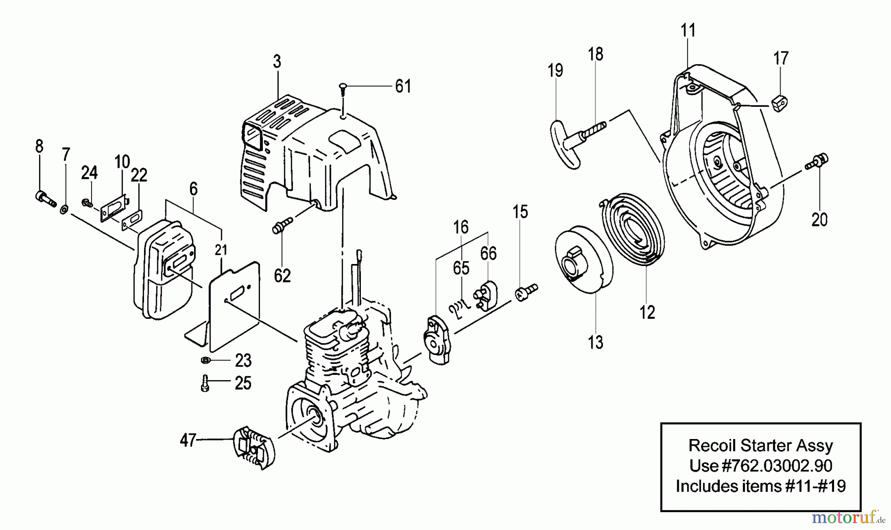
Hier finden Sie die Ersatzteilzeichnung für Tanaka Heckenscheeren HTD-2520PF - Tanaka Hedge Trimmer Clutch, Starter, Muffler Components. Wählen Sie das benötigte Ersatzteil aus der Ersatzteilliste Ihres Tanaka Gerätes aus und bestellen Sie einfach online. Viele Tanaka Ersatzteile halten wir ständig in unserem Lager für Sie bereit.






