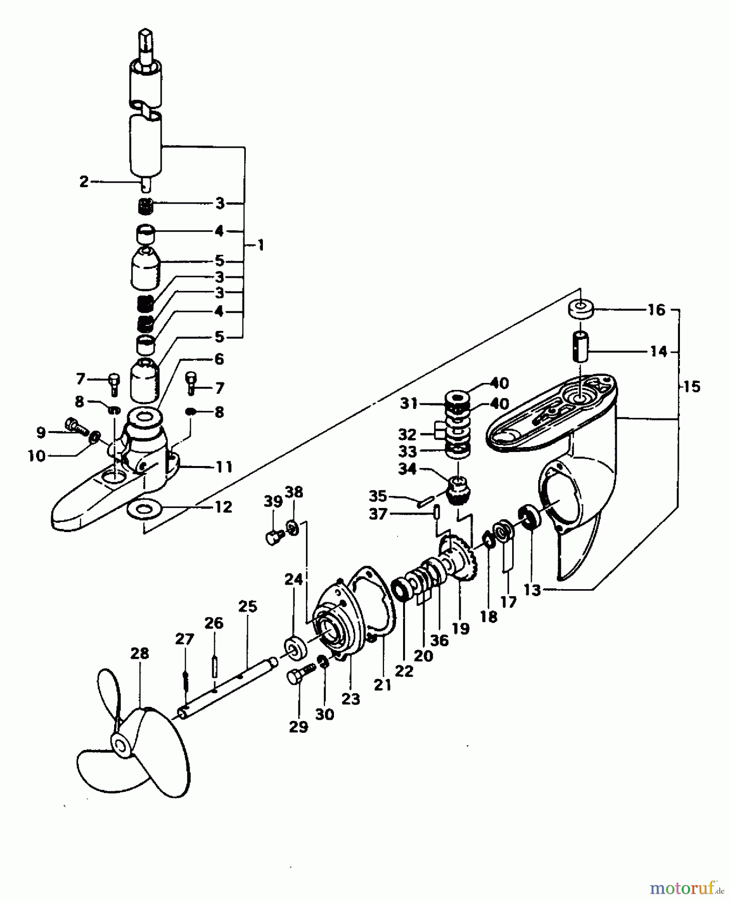
Tanaka TOB-175 - 1.75HP Outboard Motor Drive Shaft Pipe & Gear Case Ersatzteile
Drive Shaft Pipe & Gear Case TOB-175 - Tanaka 1.75HP Outboard Motor

Hier finden Sie die Ersatzteilzeichnung für Tanaka Botsmotoren TOB-175 - Tanaka 1.75HP Outboard Motor Drive Shaft Pipe & Gear Case. Wählen Sie das benötigte Ersatzteil aus der Ersatzteilliste Ihres Tanaka Gerätes aus und bestellen Sie einfach online. Viele Tanaka Ersatzteile halten wir ständig in unserem Lager für Sie bereit.
| BildNr | Artikel Nummer | Bezeichnung | |
| 1 | 6686735 | ||
| 1 | 09035306900 | ||
| 2 | 07535300800 | ||
| 3 | 6686664 | ||
| 4 | 6695603 | ||
| 5 | 6686048 | ||
| 6 | 6686743 | ||
| 7 | 6694933 | ||
| 7 | 6694986 | ||
| 8 | 669-5221 | Scheibe 6 | |
| 9 | 6695003 | ||
| 10 | 6695223 | ||
| 11 | 6685986 | ||
| 11 | 03435500201 | ||
| 12 | 09135500200 | ||
| 13 | 669-5524 | Kugellager verwende 625-6000 | |
| 14 | 6685969 | ||
| 15 | 6685965 | ||
| 16 | 6695621 | ||
| 17 | 6687778 | ||
| 17 | 668-7789 | Scheibe AST250SDH | |
| 17 | 668-7792 | Scheibe AST250SDH | |
| 17 | 668-7799 | Scheibe AST250SDH | |
| 18 | 668-4821 | Sicherungsring TBC2400SDH,, | |
| 18 | 99350010002 | 99350010002 | |
| 19 | 01736120201 | ||
| 20 | 668-9177 | Antriebswellenscheibe TBC290/ | |
| 20 | 668-4604 | Antriebswellenscheibe 0,20 | |
| 20 | 668-4605 | Antriebswellenscheibe 0,30 | |
| 21 | 04835500202 | ||
| 22 | 6695535 | ||
| 23 | 6686244 | ||
| 24 | 668-4607 | Wellendichtring 999-66122-200 | |
| 25 | 01935500201 | ||
| 26 | 6685665 | ||
| 27 | 6685652 | ||
| 28 | 6685626 | ||
| 28 | 01035306200 | ||
| 29 | 99011060182 | ||
| 29 | 99021060182 | ||
| 30 | 99211060042 | ||
| 30 | 992-10060-042 | ||
| 31 | 6695604 | ||
| 32 | 6686429 | ||
| 32 | 6686436 | ||
| 32 | 06535500200 | ||
| 32 | 6686450 | ||
| 33 | 6686425 | ||
| 34 | 6686400 | ||
| 35 | 6686420 | ||
| 36 | 6685852 | ||
| 37 | 6685845 | ||
| 38 | 72701040201 | ||
| 38 | 669-2685 | Dichtung . | |
| 39 | 6694981 | ||
| 39 | 99021060082 | ||
| 40 | 6695605 | ||


Qualitätsmanagement
Informieren Sie uns, wenn Sie einen Fehler gefunden haben.

