Tanaka Weber - Weber Vibrating Wet Screed Engine Engine Ersatzteile
Engine Weber - Tanaka Weber Vibrating Wet Screed Engine

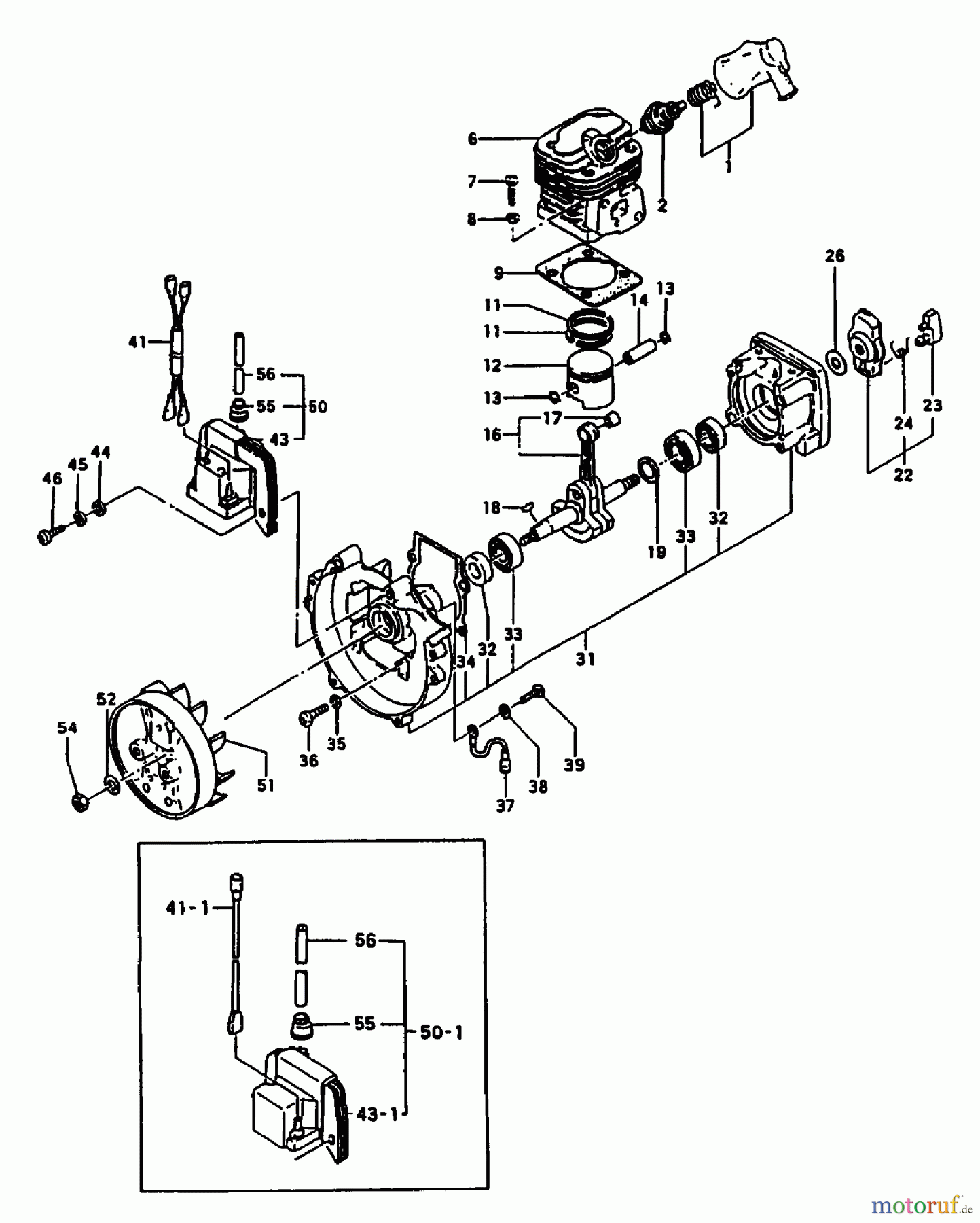
Hier finden Sie die Ersatzteilzeichnung für Tanaka Motoren Weber - Tanaka Weber Vibrating Wet Screed Engine Engine. Wählen Sie das benötigte Ersatzteil aus der Ersatzteilliste Ihres Tanaka Gerätes aus und bestellen Sie einfach online. Viele Tanaka Ersatzteile halten wir ständig in unserem Lager für Sie bereit.


Qualitätsmanagement
Informieren Sie uns, wenn Sie einen Fehler gefunden haben.




