Tanaka TC-2501 - Utility / Scooter Engine Clutch, Muffler, Anti-Vibe, Fan Case Ersatzteile
Clutch, Muffler, Anti-Vibe, Fan Case TC-2501 - Tanaka Utility / Scooter Engine

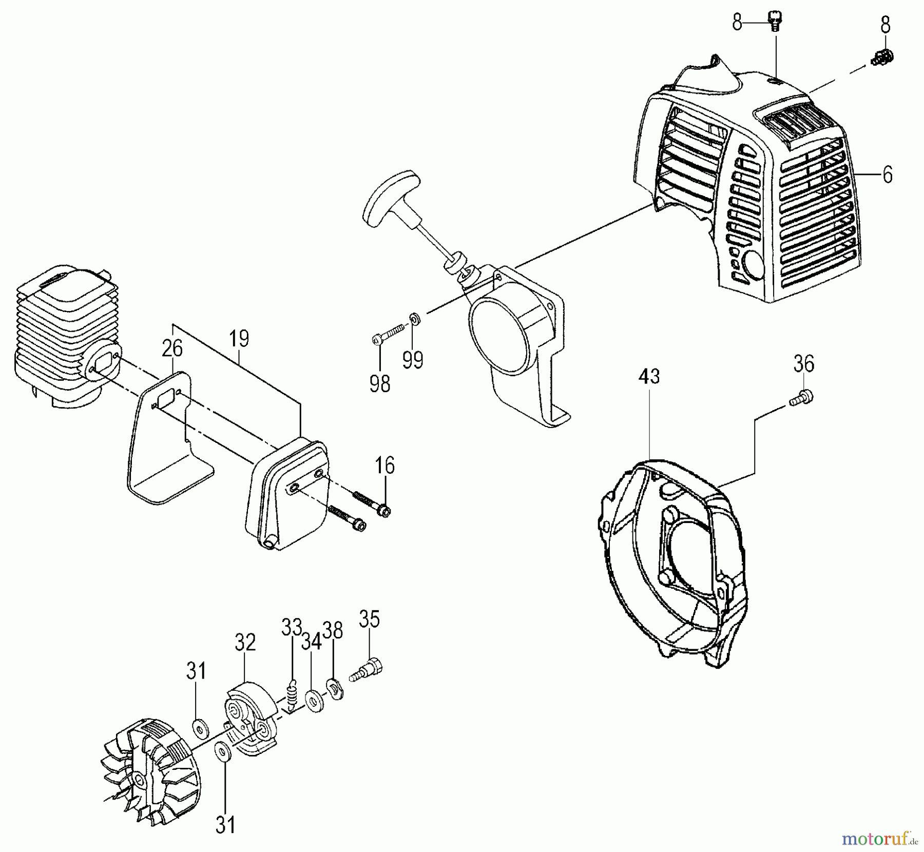
Hier finden Sie die Ersatzteilzeichnung für Tanaka Motoren TC-2501 - Tanaka Utility / Scooter Engine Clutch, Muffler, Anti-Vibe, Fan Case. Wählen Sie das benötigte Ersatzteil aus der Ersatzteilliste Ihres Tanaka Gerätes aus und bestellen Sie einfach online. Viele Tanaka Ersatzteile halten wir ständig in unserem Lager für Sie bereit.




