Tanaka PF-4000 - Utility / Scooter Engine Fuel System, Air Filter Ersatzteile
Fuel System, Air Filter PF-4000 - Tanaka Utility / Scooter Engine

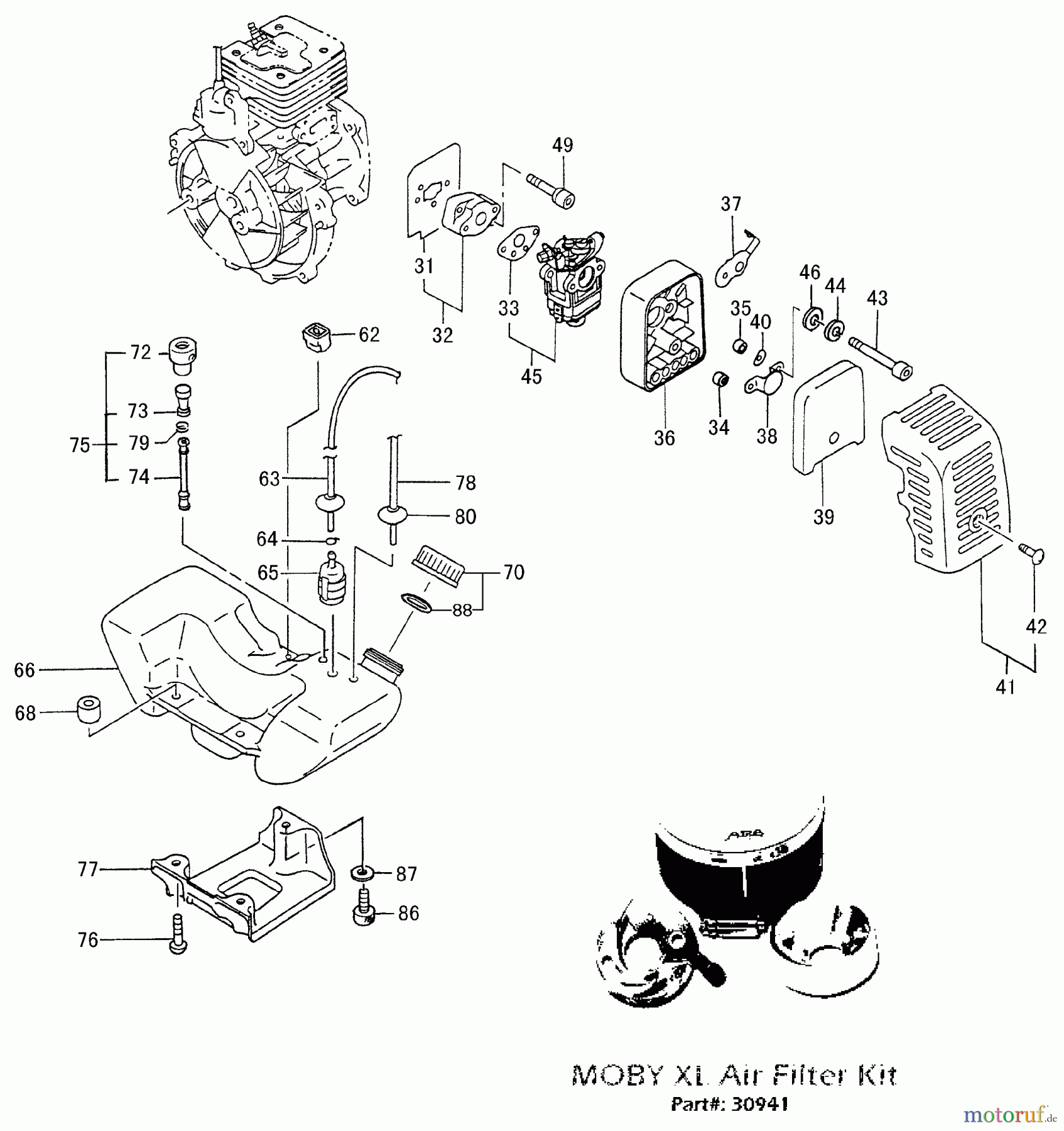
Hier finden Sie die Ersatzteilzeichnung für Tanaka Motoren PF-4000 - Tanaka Utility / Scooter Engine Fuel System, Air Filter. Wählen Sie das benötigte Ersatzteil aus der Ersatzteilliste Ihres Tanaka Gerätes aus und bestellen Sie einfach online. Viele Tanaka Ersatzteile halten wir ständig in unserem Lager für Sie bereit.


Qualitätsmanagement
Informieren Sie uns, wenn Sie einen Fehler gefunden haben.



