Tanaka TPE-270PN - Portable Edger Throttle Lever, Handle, Drive Shaft Ersatzteile
Throttle Lever, Handle, Drive Shaft TPE-270PN - Tanaka Portable Edger

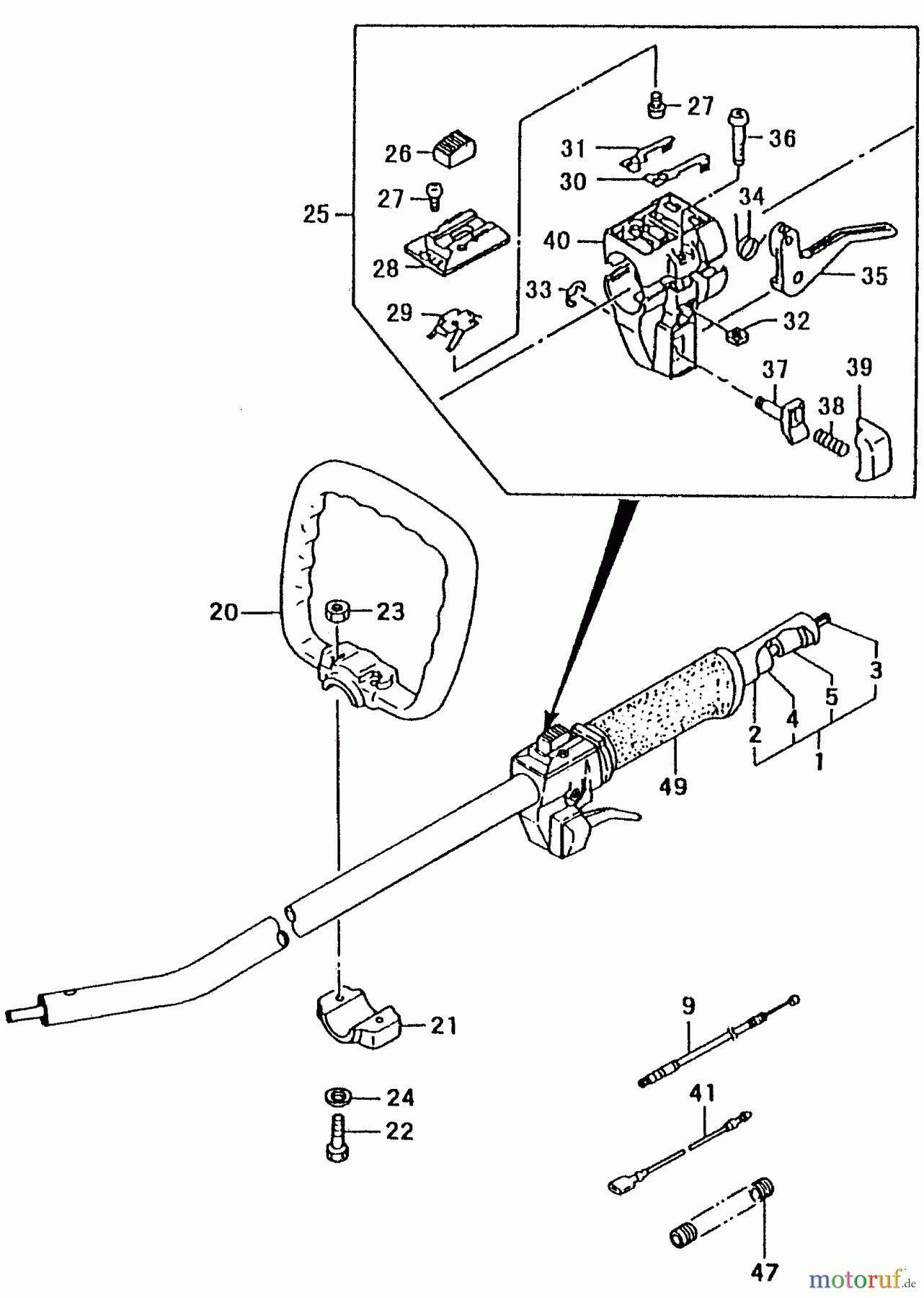
Hier finden Sie die Ersatzteilzeichnung für Tanaka Kantenschneider TPE-270PN - Tanaka Portable Edger Throttle Lever, Handle, Drive Shaft. Wählen Sie das benötigte Ersatzteil aus der Ersatzteilliste Ihres Tanaka Gerätes aus und bestellen Sie einfach online. Viele Tanaka Ersatzteile halten wir ständig in unserem Lager für Sie bereit.


Qualitätsmanagement
Informieren Sie uns, wenn Sie einen Fehler gefunden haben.




