Tanaka TIA-340 - Power Auger Muffler, Clutch Ersatzteile
Muffler, Clutch TIA-340 - Tanaka Power Auger

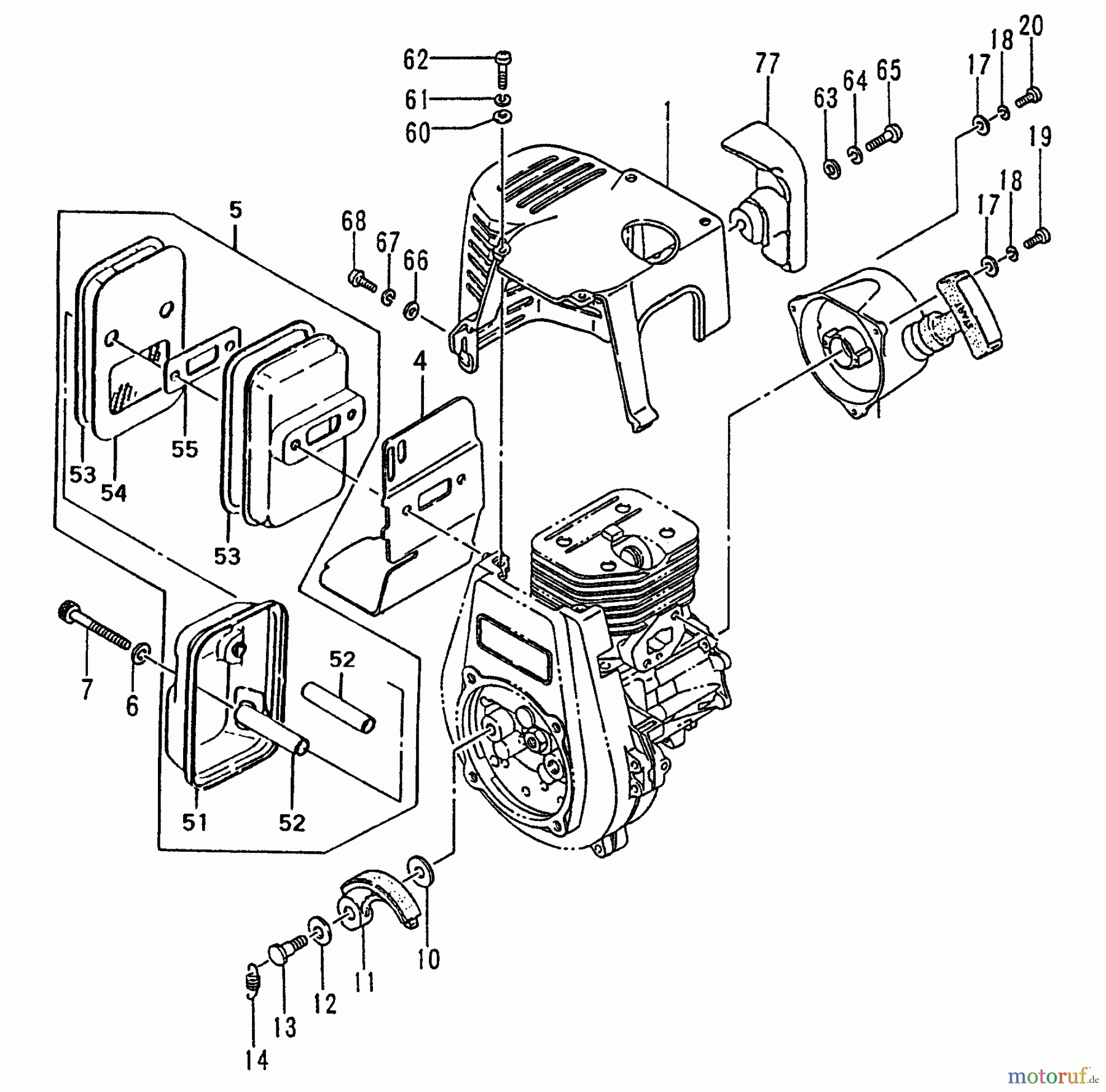
Hier finden Sie die Ersatzteilzeichnung für Tanaka Erdbohrer TIA-340 - Tanaka Power Auger Muffler, Clutch. Wählen Sie das benötigte Ersatzteil aus der Ersatzteilliste Ihres Tanaka Gerätes aus und bestellen Sie einfach online. Viele Tanaka Ersatzteile halten wir ständig in unserem Lager für Sie bereit.


Qualitätsmanagement
Informieren Sie uns, wenn Sie einen Fehler gefunden haben.

