Tanaka TIA-305 - Power Auger Engine Components Ersatzteile
Engine Components TIA-305 - Tanaka Power Auger

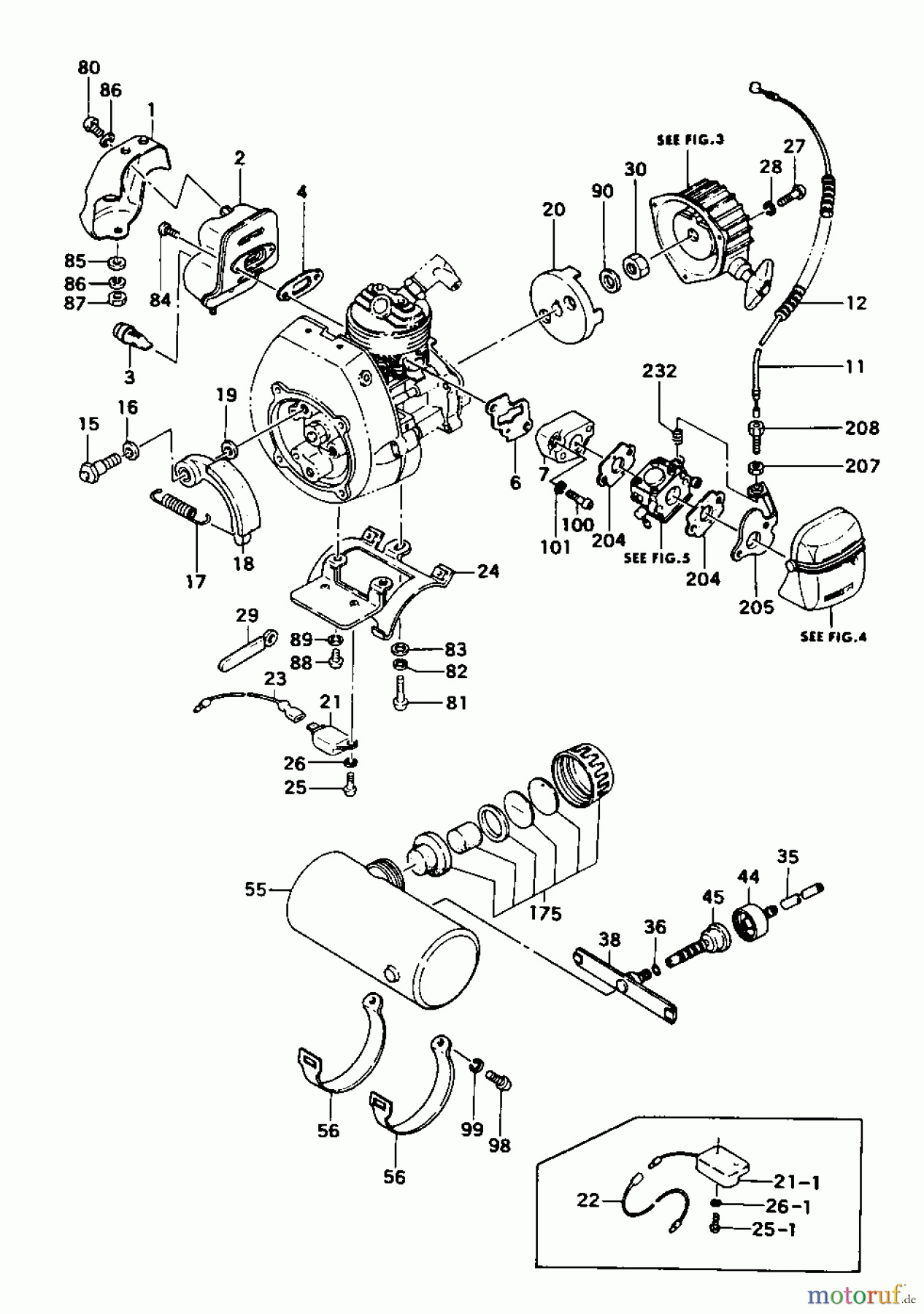
Hier finden Sie die Ersatzteilzeichnung für Tanaka Erdbohrer TIA-305 - Tanaka Power Auger Engine Components. Wählen Sie das benötigte Ersatzteil aus der Ersatzteilliste Ihres Tanaka Gerätes aus und bestellen Sie einfach online. Viele Tanaka Ersatzteile halten wir ständig in unserem Lager für Sie bereit.




