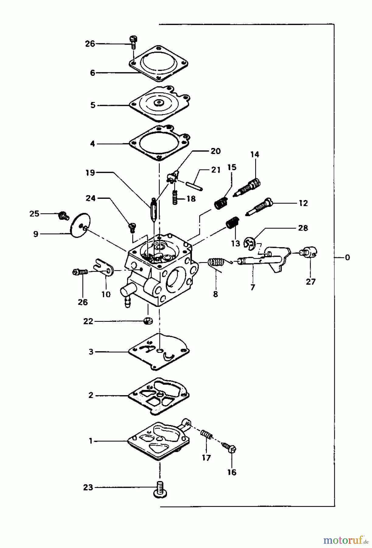
Tanaka TIA-305 - Power Auger Carburetor Ersatzteile
Carburetor TIA-305 - Tanaka Power Auger

Hier finden Sie die Ersatzteilzeichnung für Tanaka Erdbohrer TIA-305 - Tanaka Power Auger Carburetor. Wählen Sie das benötigte Ersatzteil aus der Ersatzteilliste Ihres Tanaka Gerätes aus und bestellen Sie einfach online. Viele Tanaka Ersatzteile halten wir ständig in unserem Lager für Sie bereit.



