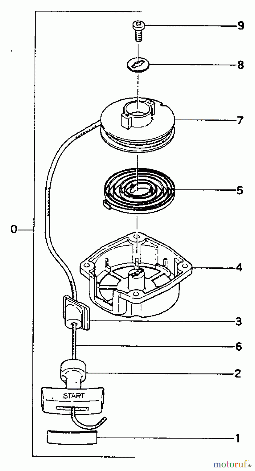
Tanaka TED-260 - Engine Drill Recoil Starter Ersatzteile
Recoil Starter TED-260 - Tanaka Engine Drill

Hier finden Sie die Ersatzteilzeichnung für Tanaka Erdbohrer TED-260 - Tanaka Engine Drill Recoil Starter. Wählen Sie das benötigte Ersatzteil aus der Ersatzteilliste Ihres Tanaka Gerätes aus und bestellen Sie einfach online. Viele Tanaka Ersatzteile halten wir ständig in unserem Lager für Sie bereit.





