Tanaka TED-210C - Gas Drill (SN: T277487 - T2848900) Air Cleaner, Fuel System Ersatzteile
Air Cleaner, Fuel System TED-210C - Tanaka Gas Drill (SN: T277487 - T2848900)

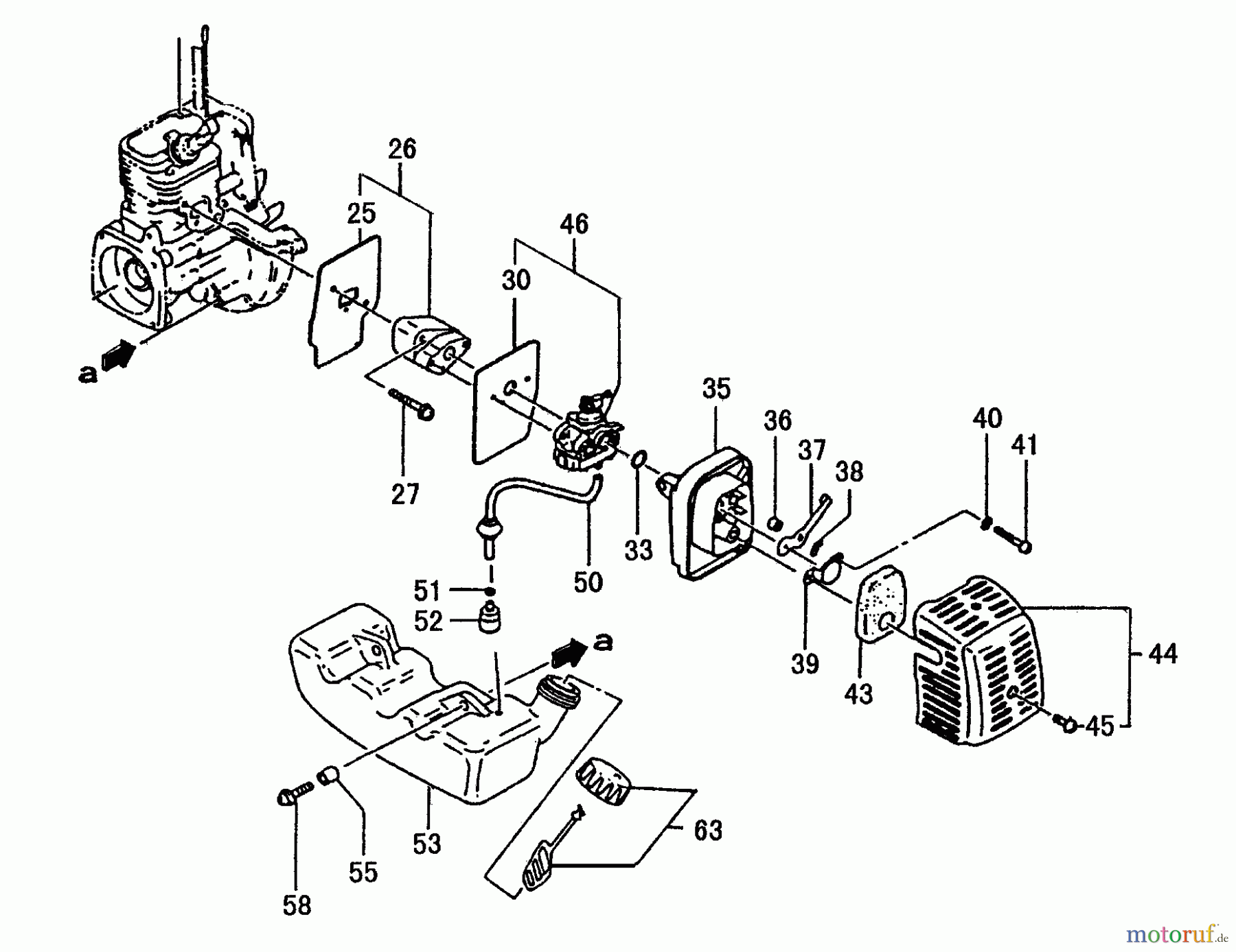
Hier finden Sie die Ersatzteilzeichnung für Tanaka Erdbohrer TED-210C - Tanaka Gas Drill (SN: T277487 - T2848900) Air Cleaner, Fuel System. Wählen Sie das benötigte Ersatzteil aus der Ersatzteilliste Ihres Tanaka Gerätes aus und bestellen Sie einfach online. Viele Tanaka Ersatzteile halten wir ständig in unserem Lager für Sie bereit.


Qualitätsmanagement
Informieren Sie uns, wenn Sie einen Fehler gefunden haben.





