Tanaka THB-260PF - Handheld Blower Blower Ersatzteile
Blower THB-260PF - Tanaka Handheld Blower

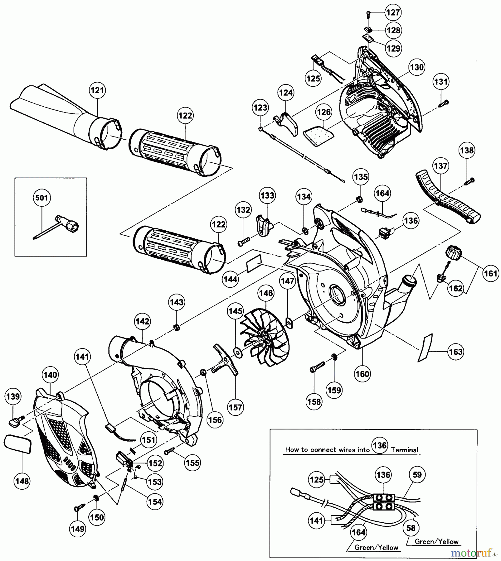
Hier finden Sie die Ersatzteilzeichnung für Tanaka Blasgeräte, Sauger, Häcksler, Mulchgeräte THB-260PF - Tanaka Handheld Blower Blower. Wählen Sie das benötigte Ersatzteil aus der Ersatzteilliste Ihres Tanaka Gerätes aus und bestellen Sie einfach online. Viele Tanaka Ersatzteile halten wir ständig in unserem Lager für Sie bereit.



