Tanaka THB-2510 - Handheld Blower Handle, Throttle, Fan, Pipes Ersatzteile
Handle, Throttle, Fan, Pipes THB-2510 - Tanaka Handheld Blower

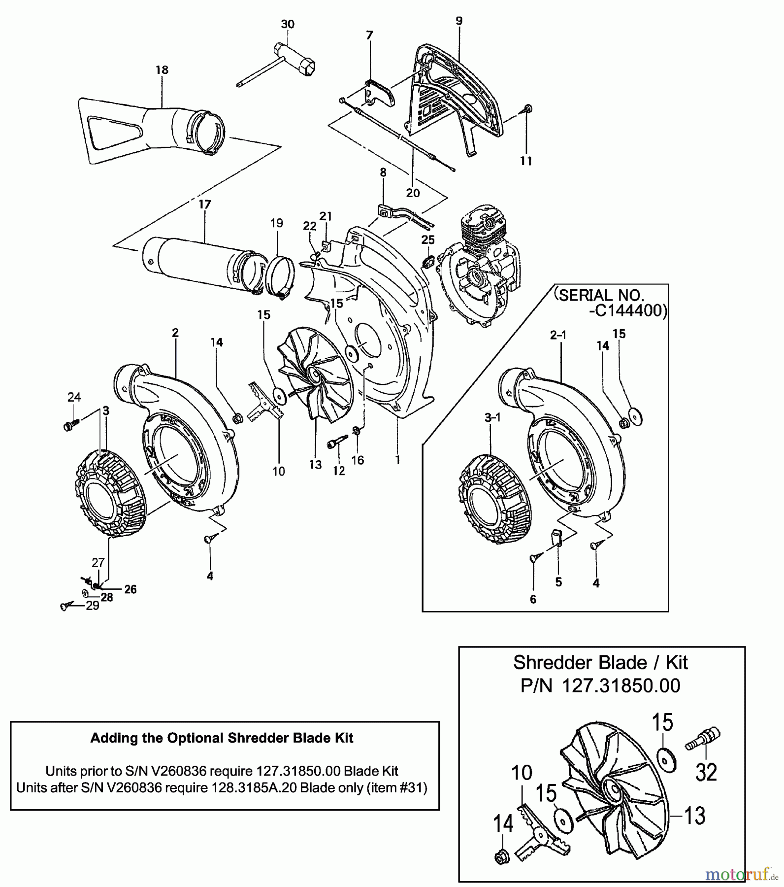
Hier finden Sie die Ersatzteilzeichnung für Tanaka Blasgeräte, Sauger, Häcksler, Mulchgeräte THB-2510 - Tanaka Handheld Blower Handle, Throttle, Fan, Pipes. Wählen Sie das benötigte Ersatzteil aus der Ersatzteilliste Ihres Tanaka Gerätes aus und bestellen Sie einfach online. Viele Tanaka Ersatzteile halten wir ständig in unserem Lager für Sie bereit.


Qualitätsmanagement
Informieren Sie uns, wenn Sie einen Fehler gefunden haben.

