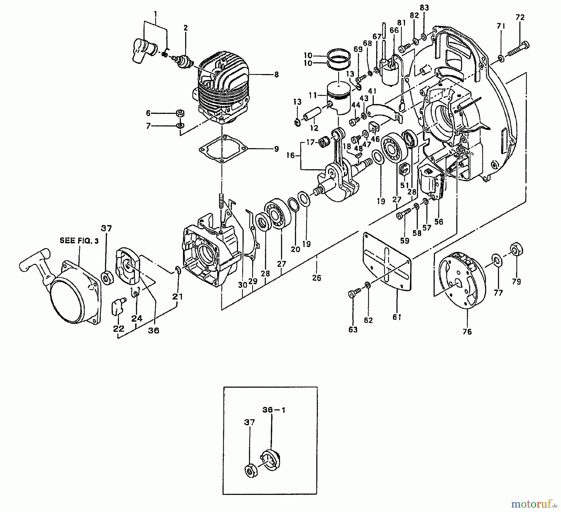
Tanaka TBL-4600 - Backpack Blower Engine / Cylinder, Piston, Crankshaft Ersatzteile
Engine / Cylinder, Piston, Crankshaft TBL-4600 - Tanaka Backpack Blower

Hier finden Sie die Ersatzteilzeichnung für Tanaka Blasgeräte, Sauger, Häcksler, Mulchgeräte TBL-4600 - Tanaka Backpack Blower Engine / Cylinder, Piston, Crankshaft. Wählen Sie das benötigte Ersatzteil aus der Ersatzteilliste Ihres Tanaka Gerätes aus und bestellen Sie einfach online. Viele Tanaka Ersatzteile halten wir ständig in unserem Lager für Sie bereit.




