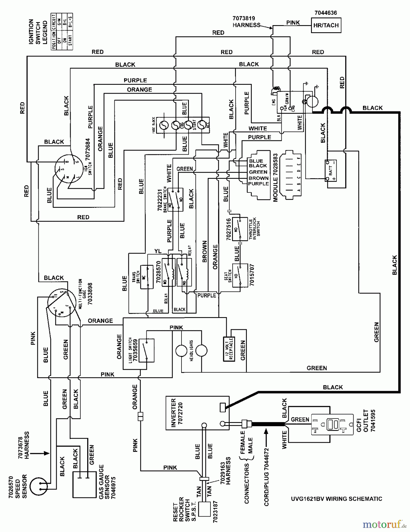
Snapper UVG1621BV (7085632) - Turf Cruiser Utility Vehicle, 16 HP, Series 1 WIRING SCHEMATIC- UVG Model Ersatzteile
WIRING SCHEMATIC- UVG Model UVG1621BV (7085632) - Snapper Turf Cruiser Utility Vehicle, 16 HP, Series 1

Hier finden Sie die Ersatzteilzeichnung für Snapper Utility Vehicles UVG1621BV (7085632) - Snapper Turf Cruiser Utility Vehicle, 16 HP, Series 1 WIRING SCHEMATIC- UVG Model. Wählen Sie das benötigte Ersatzteil aus der Ersatzteilliste Ihres Snapper Gerätes aus und bestellen Sie einfach online. Viele Snapper Ersatzteile halten wir ständig in unserem Lager für Sie bereit.



