Snapper RT4151 - Walk-Behind Trimmer RT4151 Crankcase Assembly Ersatzteile
RT4151 Crankcase Assembly RT4151 - Snapper Walk-Behind Trimmer

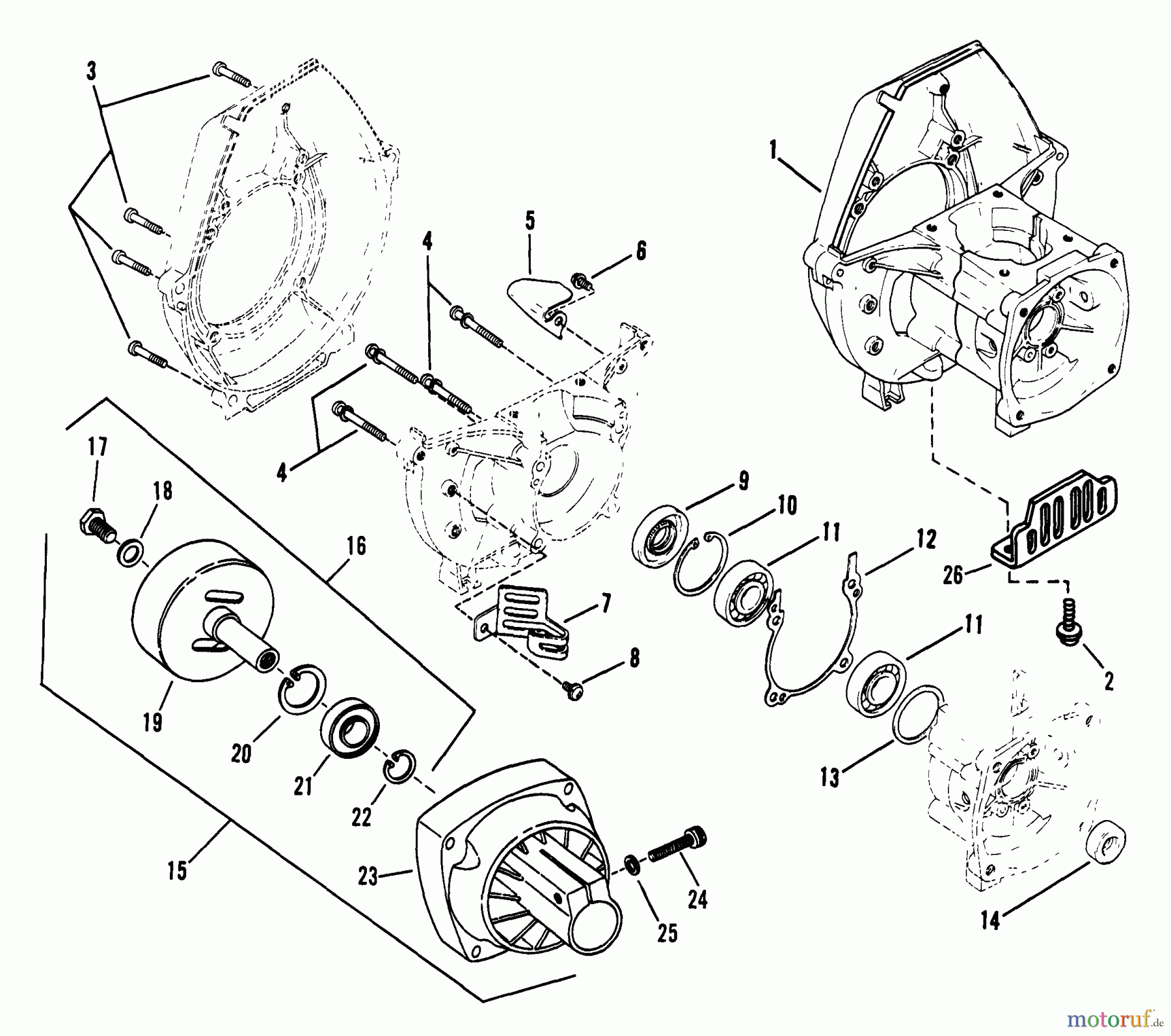
Hier finden Sie die Ersatzteilzeichnung für Snapper Trimmer RT4151 - Snapper Walk-Behind Trimmer RT4151 Crankcase Assembly. Wählen Sie das benötigte Ersatzteil aus der Ersatzteilliste Ihres Snapper Gerätes aus und bestellen Sie einfach online. Viele Snapper Ersatzteile halten wir ständig in unserem Lager für Sie bereit.
| BildNr | Artikel Nummer | Bezeichnung | |
| 1 | BS7044147 | ||
| 2 | BS7044261 | ||
| 3 | BS7044004 | ||
| 4 | BS7044003 | ||
| 5 | BS7044002 | ||
| 6 | BS7044001 | ||
| 7 | BS7044005 | ||
| 8 | BS7044006 | ||
| 9 | BS7044007 | ||
| 10 | BS7044008 | ||
| 11 | BS7044009YP | BEARING ## | |
| 12 | BS7044010 | ||
| 13 | BS7044011 | ||
| 14 | BS7044013YP | SEAL, OIL ## | |
| 15 | BS7043016 | ||
| 16 | BS7043932 | ||
| 17 | BS7043935 | ||
| 18 | BS7043934 | ||
| 19 | BS7043933 | ||
| 20 | BS7043917YP | SNAP RING | |
| 21 | BS7043936YP | BEARING | |
| 22 | BS7043938 | ||
| 23 | BS7043017 | ||
| 24 | BS7043930 | ||
| 25 | BS7043931 | ||
| 26 | BS7044260 | ||


Qualitätsmanagement
Informieren Sie uns, wenn Sie einen Fehler gefunden haben.

