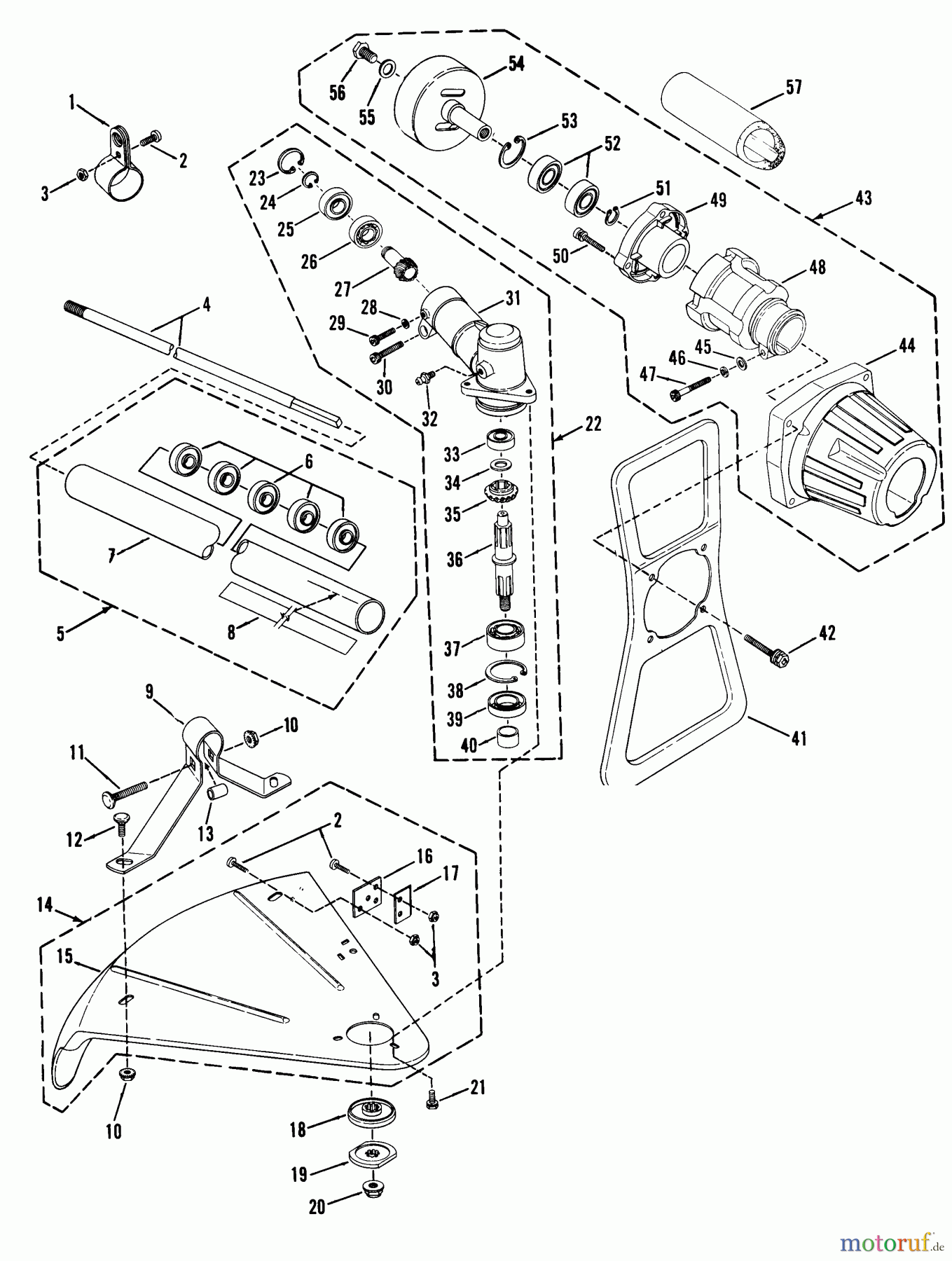
Snapper 411SST - 40.6cc Straight Shaft Trimmer, Series 1 411SST Shield Assmy, Tube/Decal Assmy, Gear Head And Clutch Case Ersatzteile
411SST Shield Assmy, Tube/Decal Assmy, Gear Head And Clutch Case 411SST - Snapper 40.6cc Straight Shaft Trimmer, Series 1

Hier finden Sie die Ersatzteilzeichnung für Snapper Trimmer, Motorsensen 411SST - Snapper 40.6cc Straight Shaft Trimmer, Series 1 411SST Shield Assmy, Tube/Decal Assmy, Gear Head And Clutch Case. Wählen Sie das benötigte Ersatzteil aus der Ersatzteilliste Ihres Snapper Gerätes aus und bestellen Sie einfach online. Viele Snapper Ersatzteile halten wir ständig in unserem Lager für Sie bereit.


Qualitätsmanagement
Informieren Sie uns, wenn Sie einen Fehler gefunden haben.


