Snapper 215SST - 21.2cc Straight Shaft Trimmer Trimmer Ersatzteile
Trimmer 215SST - Snapper 21.2cc Straight Shaft Trimmer

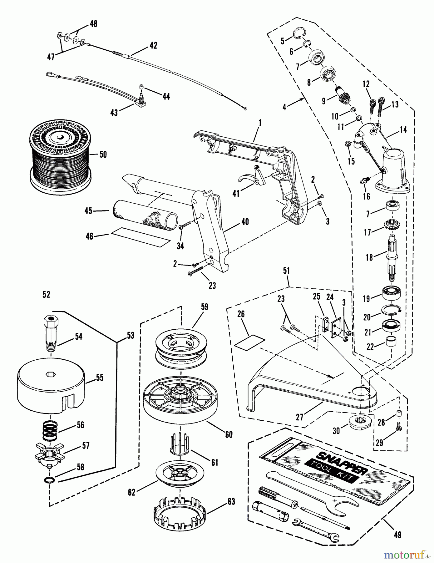
Hier finden Sie die Ersatzteilzeichnung für Snapper Trimmer, Motorsensen 215SST - Snapper 21.2cc Straight Shaft Trimmer Trimmer. Wählen Sie das benötigte Ersatzteil aus der Ersatzteilliste Ihres Snapper Gerätes aus und bestellen Sie einfach online. Viele Snapper Ersatzteile halten wir ständig in unserem Lager für Sie bereit.


Qualitätsmanagement
Informieren Sie uns, wenn Sie einen Fehler gefunden haben.

